EasyManua.ls Logo

Siemens sinamics dcp - Fig. 3-14 2410 - PROFIBUS (PB);PROFINET (PN);USS, addresses and diagnostics

Siemens sinamics dcp
518 pages
To Next Page IconTo Next Page
To Next Page IconTo Next Page
To Previous Page IconTo Previous Page
To Previous Page IconTo Previous Page
Loading...
SINAMICS DCP
List Manual (LH21), 05/2016
329
3 Function diagrams
3.4 PROFIdrive
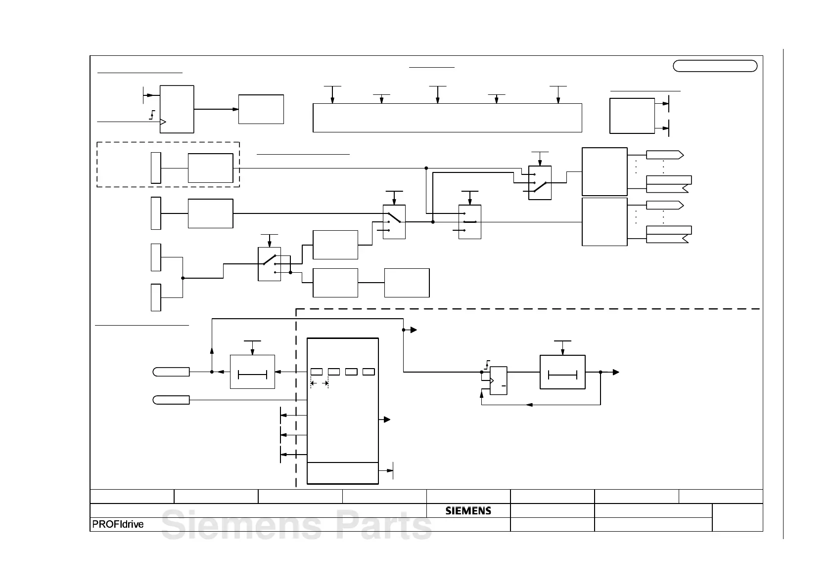
Fig. 3-14 2410 – PROFIBUS (PB)/PROFINET (PN)/USS, addresses and diagnostics
fp_2410_89.vsd
12345678
- 2410 -
SINAMICS DCP
03.06.2014 v 1.2
DO: CU_DCP;DCP_CTRL
- PROFIBUS (PB) / PROFINET (PN) / USS, addresses and diagnostics
Function diagram
t
Q
QS
R
R
+
0T
0T
+
+
+
[1020.7]
PROFIdrive sampling time
PB status
r02054
PB diag standard
r02055[0...2]
A01900
PB/PN: ConfigTelegr error
Set PROFIBUS address
POWER ON
PROFINET address
Telegram failure from master
A01920
PB: Interrupt cyc conn
Monitoring is only performed once
at least one "valid" cyclic telegram has been
received for the first time. "Valid" means:
Master is in operation and user data is transferred.
<3>
IF1 PD fault delay
0...100 [s]
p02044 (1)
Cyclic
telegrams
from the master
Current
PROFIBUS
address
Diagnostic parameters
PB suppl t_monit
p02047
PN Name of Station
r61000[0...239]
PN IP of Station
r61001[0...3]
<3>
<3>
PB address
1...126
p00918 (126)
r02043.01Sync op act r02043.01
IF1 PD PZD state
Memory
SET
r02043.00Set_failure r02043.00
IF1 PD PZD state
F01910
Fieldbus: setp timeout
Field bus error
r02029[0...7]
USS settings
Field bus baud
p02020
Field bus address
p02021
Field bus USS PZD
p02022
Field bus USS PKW
p02023
Fieldbus USS DO_no
p02035
USS
USS
protocol
PPI
protocol
Parameter
management
1
0
3
1
0
2
PZD
IF1
Field bus protocol
p02030
Field bus protocol
p02030
X1400
X126
X178
PZD IF HW assign
p08839[0]
<1>
Monitoring and diagnostics
Process data transmission
CBE20
PROFIBUS
PROFINET
PROFINET
PROFIBUS
protocol
Ethernet
interface
PROFIBUS
connection
AOP30/USS
interface
Position 99:
When CBE20 is inserted: Switch position = 2
When CBE20 is not inserted: Switch position = 1
<1>
See:
FP2460
FP2470
FP2472
FP2481
FP2483
1
0
3
+
X179
+
RS 485
RS 232
<4>
<4>
<4>
Only one of the two interfaces -
RS 485 (X178-3, 4) or RS 232 (X179-3, 4) - may be used.
DCP_CTRL
1
0
2
PZD IF HW assign
p08839[1]
<2>
+
+
PZD
IF2
see:
FP2485
FP2487
FP2489
Position 99:
Switch position = 0
<2>
<5>
Bus termination can be switched on/off with p50820
<5>
<6>
<6> Not with CPU stop
Siemens Parts

Table of Contents

Other manuals for Siemens sinamics dcp

Related product manuals