EasyManua.ls Logo

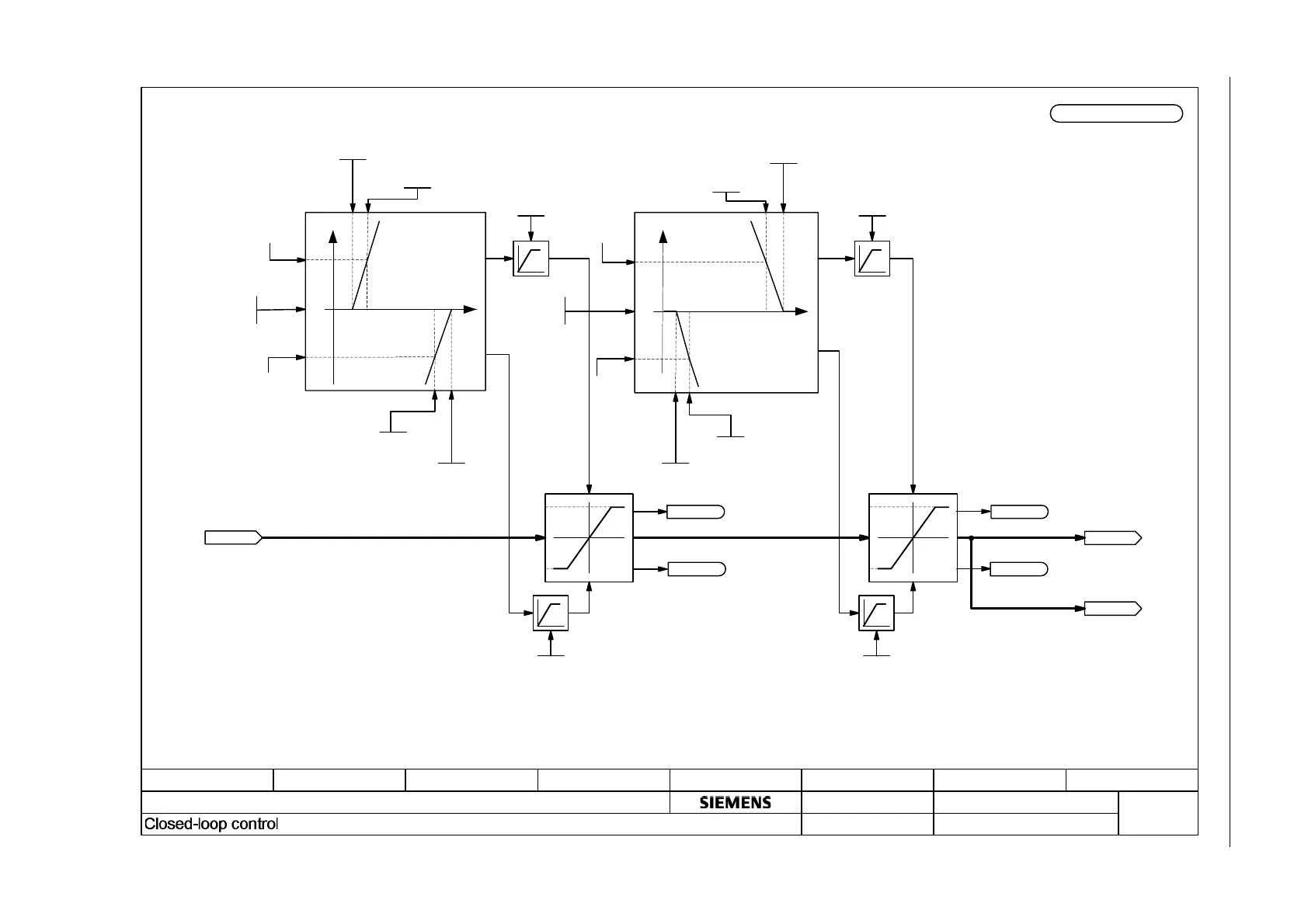
Siemens sinamics dcp - Fig. 3-32 6812 - Voltage limitation

Siemens sinamics dcp
518 pages
Print Icon
To Next Page IconTo Next Page
To Next Page IconTo Next Page
To Previous Page IconTo Previous Page
To Previous Page IconTo Previous Page
Loading...
3 Function diagrams
3.9 Closed-loop control
SINAMICS DCP
352 List Manual (LH21), 05/2016
Fig. 3-32 6812 – Voltage limitation
fp_6812_89.vsd
12345678
- 6812 -
SINAMICS DCP
25.04.2016 v 1.2
DO: DCP_CTRL
- Voltage limiting
Function diagram
r55122
U_lim I_react_set [%]
500 μs
r55120
I/P_lim I_reac_set [%]
[6810.7]
y
x
[6850.1]
y
x
r55125.08
Low U_lim S1 rch
r55125.09
Upp U_lim S1 rch
r55125.10
Upp U_lim S2 rch
r55125.11
Low U_lim S2 rch
Lim S1 U_under low
p55130 (50 V)
Lim S1 U_under up
p55131 (100 V)
p55133 (1000 V)
Lim S1 U_over up
p55132 (800 V)
Lim S1 U_over low
p55140 (50 V)
Lim S2 U_under low
Lim S2 U_over low
p55142 (800 V)
p55141 (100 V)
Lim S2 U_under up
Lim S2 U_over up
p55143 (1000 V)
Act val U inner S1
r55507
[6850.1]
Act val U inner S2
r55508
100%
100%
r55150
U_lim I_react_set [%]
+
-100%
-100%
U_lim t_recovery
p55145 (0.500 s)
U
U
U_lim t_recovery
p55145 (0.500 s)
p55145 (0.500 s)
U_lim t_recovery
p55145 (0.500 s)
U_lim t_recovery

Table of Contents

Other manuals for Siemens sinamics dcp

Related product manuals