EasyManua.ls Logo

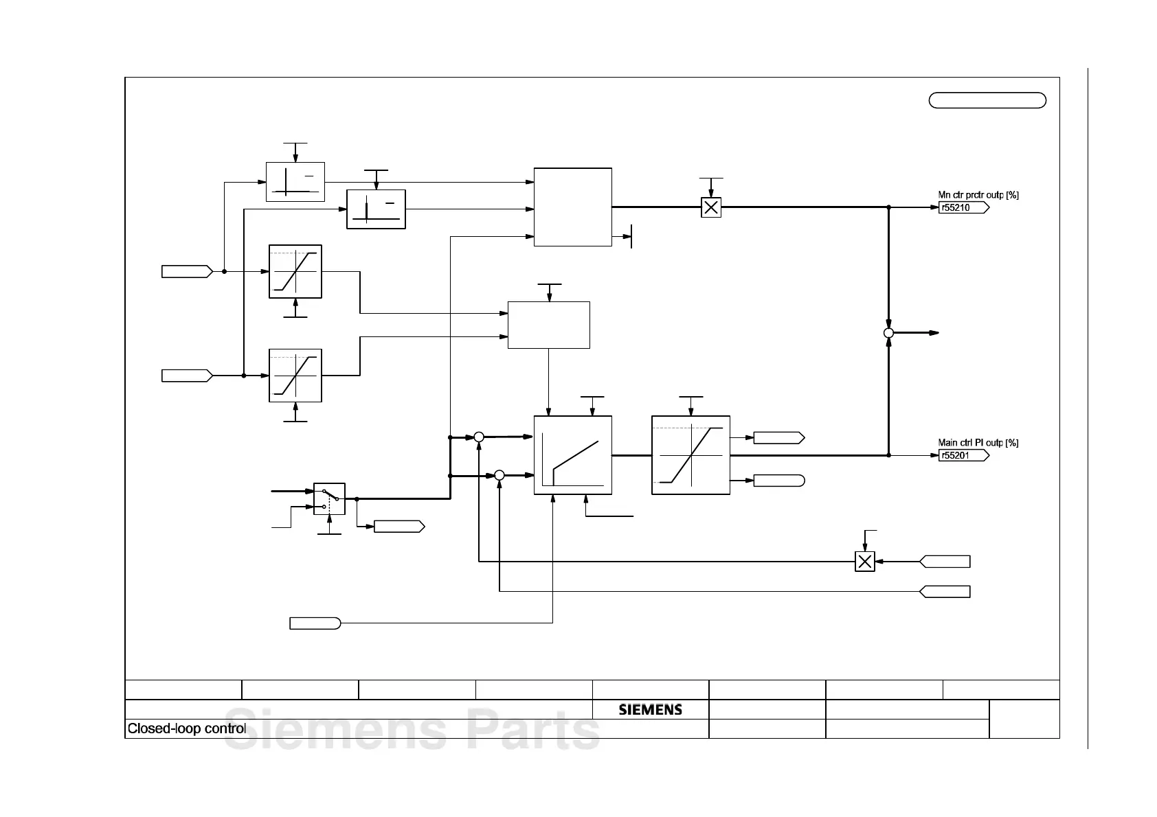
Siemens sinamics dcp - Fig. 3-35 6820 - Main current controller

Siemens sinamics dcp
518 pages
Print Icon
To Next Page IconTo Next Page
To Next Page IconTo Next Page
To Previous Page IconTo Previous Page
To Previous Page IconTo Previous Page
Loading...
SINAMICS DCP
List Manual (LH21), 05/2016
355
3 Function diagrams
3.9 Closed-loop control
Fig. 3-35 6820 – Main current controller
fp_6820_89.vsd
12345678
- 6820 -
SINAMICS DCP
27.04.2016 v 1.2
DO: DCP_CTRL
- Main current controller
Function diagram
+
+
Precontrol
Pulse frequency
r55172
Mn ctr I_react_set [%]
+
-
Mn ctr prctr fact
p55230 (98.0)
Kp Tn
y
x
Main ctrl limit
p55228
Adaptation
Main ctrl Tn
p55221[0]
p55226 (10.0 %)
Main ctr U low lim
+
+
Main ctrl Kp
p55220[0] (0.2000 )
r55511
ActVal I_react PU1 [%]
+
r55202
Main ctrl I comp [%]
[6850.2]
[6850.2]
[6850.2]
[6818.8]
[2585.8] r00899.11
Pulses enab
y
x
r55501
Act val U S1 [%]
r55502
Act val U S2 [%]
p55226 (10.0 %)
Main ctr U low lim
PWM limit reached [6825.8]
+
Control factor
[6825.1]
r55125.15
I_ctrl lim reach
+
[9350.6]
current setpoint from master
1
0
p51800
PU topo pos
Discontinuous lim
r55235
+
-
+
r55520
ActVal I_re SumAvg [%]
[6850.2]
no. Of power sections
d
dt
d
dt
y
x
Mn ctr prctr Tv
p55222[0]
Mn ctr prctr Tv
p55222[1]
current setpoint
+
Siemens Parts

Table of Contents

Other manuals for Siemens sinamics dcp

Related product manuals