EasyManua.ls Logo

Siemens sinamics dcp - Fig. 3-38 6835 - Contactor control;precharging

Siemens sinamics dcp
518 pages
Print Icon
To Next Page IconTo Next Page
To Next Page IconTo Next Page
To Previous Page IconTo Previous Page
To Previous Page IconTo Previous Page
Loading...
3 Function diagrams
3.9 Closed-loop control
SINAMICS DCP
358 List Manual (LH21), 05/2016
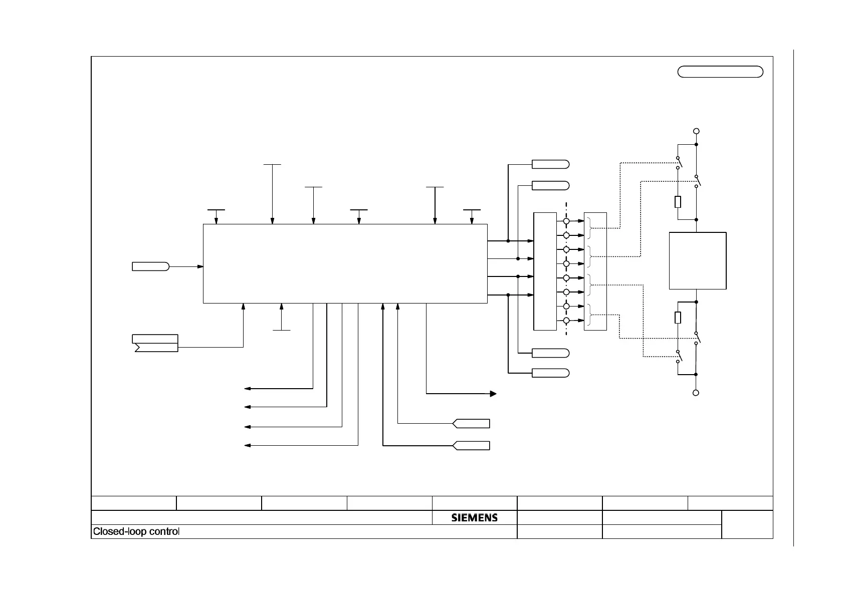
Fig. 3-38 6835 – Contactor control/precharging
fp_6835_89.vsd
12345678
- 6835 -
SINAMICS DCP
25.04.2016 v 1.2
DO: DCP_CTRL
- Contactor control/pre-charging
Function diagram
16,000 μs
Contactor control/pre-charging
Prechrg t DC cont
p55356[0/1] (100 ms)
Prchg t prchg_cont
p55355[0/1] (100 ms)
Prechrg U_set tol
p55357[0/1] (3.0 %)
r55501
Act val U S1 [%]
r55502
Act val U S2 [%]
Prechg_mode
p55350 (3)
Power unit
+
+
+
+
Prechrg I_charge
p55360 (5.000 %)
[6850.2]
[6850.2]
F60501
Prechrg fault det
[2580.8]
r00898.00
ON/OFF1
p55352
(2050[2])
Pre targ_val s_src
[2460.5]
r55600[0]
PU property U
Boost side 1
Boost side 2
Boost current
[6817.2]
[6817.2]
[6817.2]
Target voltage
[6817.2]
Contactor test
p55370 (0 )
r55375.00
Prechrg_cont S1
r55375.01
DC cont S1
r55375.02
Prechrg_cont S2
r55375.03
DC cont S2
+
+
+
+
3
4
5
6
7
8
9
10
Side 1
Side 2
Relays Contactors

Table of Contents

Other manuals for Siemens sinamics dcp

Related product manuals