EasyManua.ls Logo

Siemens sinamics dcp - Fig. 3-33 6817 - Voltage limitation, dynamic

Siemens sinamics dcp
518 pages
Print Icon
To Next Page IconTo Next Page
To Next Page IconTo Next Page
To Previous Page IconTo Previous Page
To Previous Page IconTo Previous Page
Loading...
SINAMICS DCP
List Manual (LH21), 05/2016
353
3 Function diagrams
3.9 Closed-loop control
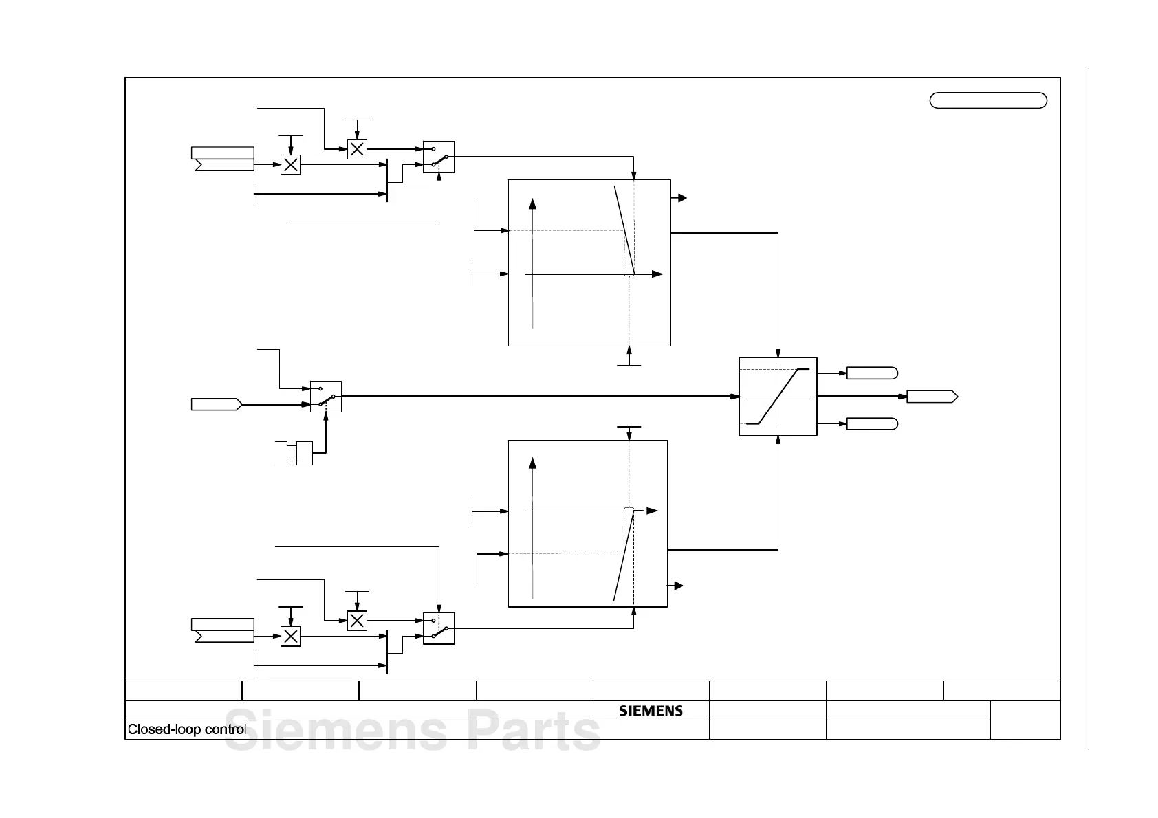
Fig. 3-33 6817 – Voltage limitation, dynamic
fp_6817_89.vsd
12345678
- 6817 -
SINAMICS DCP
25.04.2016 v 1.2
DO: DCP_CTRL
- Voltage limitation, dynamic
Function diagram
r55170
Lim I_ re_sp U dyn [%]
Pulse frequency
r55150
U_lim I_react_set [%]
[6812.7]
y
x
[6850.1]
p55186 (10.00 V)
Lim S2 U dyn dU
Lim S1 U dyn dU
p55181 (10.00 V)
p55185
(52002)
Lim S2 U dyn s_src
p55180
(52002)
Lim S1 U dyn s_src
r55125.13
Dyn U_lim S2 rch
r55125.12
Dyn U_lim S1 rch
Act val U inner S2
r55508
[6850.1]
Act val U inner S1
r55507
100%
-100%
1
0
1
0
1
0
Boost side 1
Boost side 2
Boost current
[6835.2]
[6835.2]
[6835.2]
Target voltage
[6835.2]
Target voltage
[6835.2]
Boost side 2
[6835.2]
Boost side 1
[6835.2]
>1
_
U
U
Lim S2 U_over dyn
p55187
Lim S1 U_over dyn
p55182
Min
Min
U_rated
r50071
U_rated
r50071
U_rated
r50071
U_rated
r50071
F60500
Overvolt detected
Fault value = 3
F60500
Overvolt detected
Fault value = 3
Siemens Parts

Table of Contents

Other manuals for Siemens sinamics dcp

Related product manuals