EasyManua.ls Logo

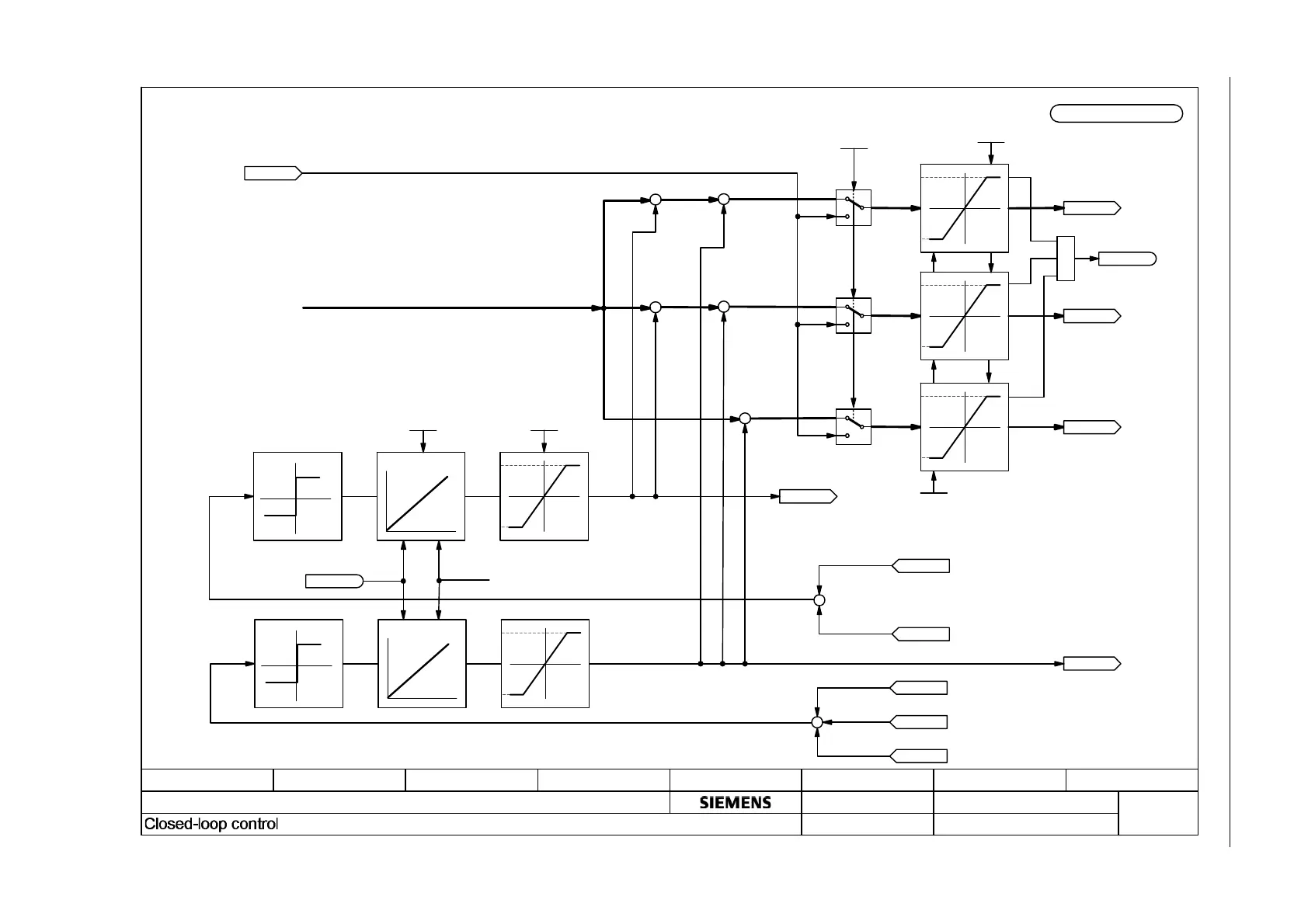
Siemens sinamics dcp - Fig. 3-36 6825 - Residual current controller

Siemens sinamics dcp
518 pages
Print Icon
To Next Page IconTo Next Page
To Next Page IconTo Next Page
To Previous Page IconTo Previous Page
To Previous Page IconTo Previous Page
Loading...
3 Function diagrams
3.9 Closed-loop control
SINAMICS DCP
356 List Manual (LH21), 05/2016
Fig. 3-36 6825 – Residual current controller
fp_6825_89.vsd
12345678
- 6825 -
SINAMICS DCP
25.04.2016 v 1.2
DO: DCP_CTRL
- Differential current controller
Function diagram
y
x
I_diff_ctrl limit
p55262 (10.000 %)
I_diff_ctrl t_int
p55260 (100.000 s)
Pulse frequency
r55252[0]
I_diff_ctrl_outp [%]
+
+
+
+
+
-
+
+
-
r55521
ActVal I_re PU1avg [%]
r55522
ActVal I_re PU2avg [%]
[6820.7]
[6850.2]
[6850.2]
y
x
y
x
[2585.7] r00899.11
Pulses enab
1
0
1
0
+
r55070
I_set after RFG [%]
[6805.4]
r55250
PU1 ctrl_angle [%]
r55251[0]
PU 2 3 ctrl_angle [%]
Cl-loop ctrl_mode
p55270 (0)
>1
_
PWM limit reached
[6825.8]
Control factor
r55125.14
PWM lim rch
y
x
+
+
+
-
y
x
1
0
r55251[1]
PU 2 3 ctrl_angle [%]
r55252[1]
I_diff_ctrl_outp [%]
+
+
+
+
+
+
+
+
+
-
r55521
ActVal I_re PU1avg [%]
r55523
ActVal I_re PU3avg [%]
[6850.2]
[6850.2]
r55522
ActVal I_re PU2avg [%]
[6850.2]
+
Mod ctrAng lim pos
p55305 (200.00)
p55306 (-200.00)
Mod ctrAng lim neg

Table of Contents

Other manuals for Siemens sinamics dcp

Related product manuals