EasyManua.ls Logo

Siemens sinamics dcp - Fig. 3-39 6845 - Fan control

Siemens sinamics dcp
518 pages
Print Icon
To Next Page IconTo Next Page
To Next Page IconTo Next Page
To Previous Page IconTo Previous Page
To Previous Page IconTo Previous Page
Loading...
SINAMICS DCP
List Manual (LH21), 05/2016
359
3 Function diagrams
3.9 Closed-loop control
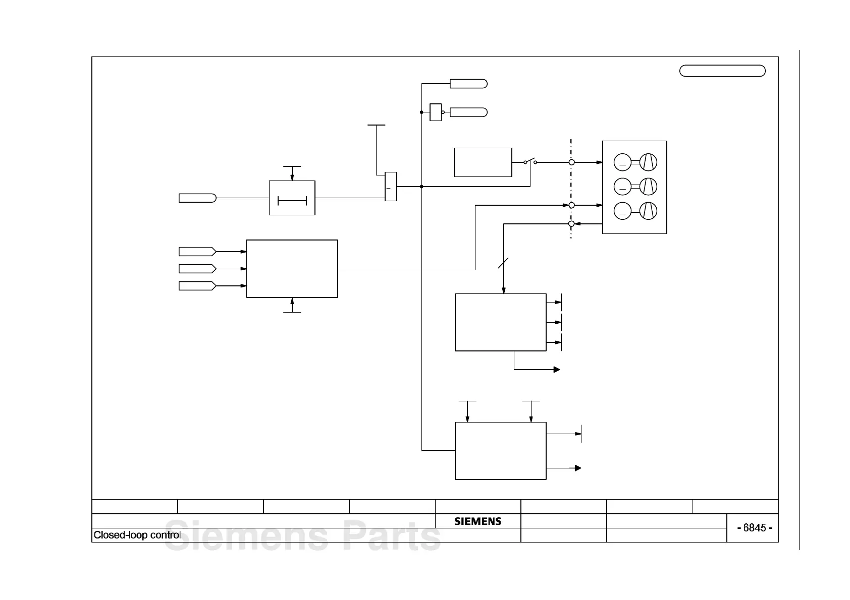
Fig. 3-39 6845 – Fan control
fp_6845_89.vsd
12345678
SINAMICS DCP
25.04.2016 v 1.2
DO: DCP_CTRL
- Fan control
Function diagram
16,000 μs
[1020.7]
0 T
Dev fan t_run-on
p55450 (240.0 s)
>1
Dev fan test
p55455
1
r55460.00
Fan ON
r55460.01
Fan ON inv
+
+
MBlower supply
[2585.8]
Operating hours counter
Dev_fan h disp
r55470
A60510
Fan end serv life reach
Dev_fan serv life
p55471 (30000 h)
Dev_fan reset h
p55472
r00899.11
Pulses enab
M
M
Fan speed detection
Fan speed reference
r52050[0]
Temp sensor disp [°C]
r52050[1]
Temp sensor disp [°C]
r52050[6]
Temp sensor disp [°C]
p55456 (20 %)
Dev fan min_speed
3
only connected if unit has speed regulated fans
<1>
<1>
<1>
Device fan n
r55480[0]
Device fan n
r55480[1]
Device fan n
r55480[2]
F60067
Fault PU temp exc
Fault value = 10
Siemens Parts

Table of Contents

Other manuals for Siemens sinamics dcp

Related product manuals