EasyManua.ls Logo

Boeing 707 - Page 632

Boeing 707
1020 pages
Print Icon
To Next Page IconTo Next Page
To Next Page IconTo Next Page
To Previous Page IconTo Previous Page
To Previous Page IconTo Previous Page
Loading...
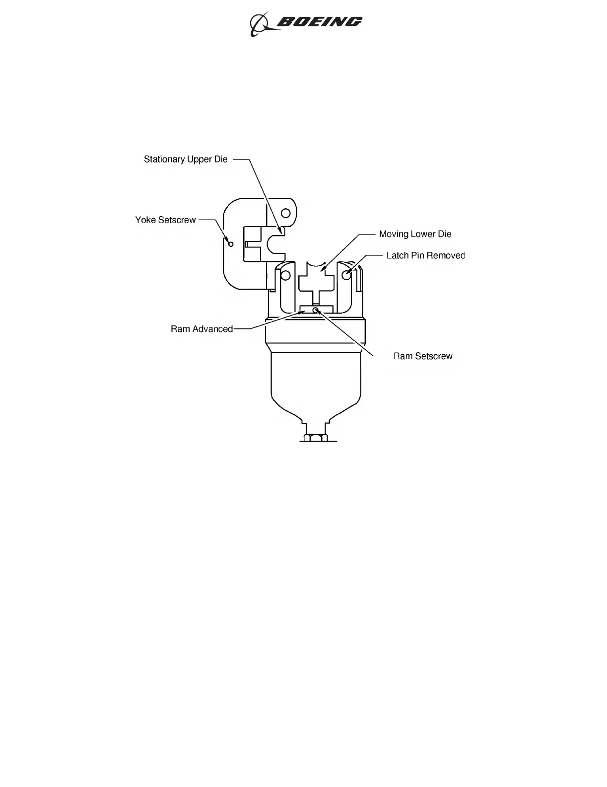
(1) Install the crimp head. Refer to Figure 31.
(2) Remove the latch pin and open the yoke on the crimp head.
(3) Loosen the yoke setscrew.
(4) Put the stationary upper die into the well of the yoke. Refer to Figure 32.
Make sure that the alignment dot on the front face of the die is on the same side as the yoke
setscrew.
(5) Tighten the yoke setscrew.
(6) Start the power unit to move the piston approximately 0.5 inch until the ram setscrew can be
seen.
(7) Loosen the ram setscrew.
2448498 S00061545674_V1
INSTALLATION OF THE DIES IN THE TYCO 58422-1 HYDRAULIC CRIMP TOOL
Figure 32
ASSEMBLY OF AMP (TYCO) COPALUM, MS25435 AND THOMAS & BETTS ALUMINUM
TERMINALS
707, 727-787
STANDARD WIRING PRACTICES MANUAL
20-30-14
Page 40
Oct 15/2017D6-54446
ECCN 9E991 BOEING PROPRIETARY - See title page for details

Table of Contents

Related product manuals