EasyManua.ls Logo

NXP Semiconductors KL25 Series - Register Definition

NXP Semiconductors KL25 Series
807 pages
To Next Page IconTo Next Page
To Next Page IconTo Next Page
To Previous Page IconTo Previous Page
To Previous Page IconTo Previous Page
Loading...
M
PE
PT
RE
VARIABLE 12-BIT RECEIVE
STOP
START
RECEIVE
WAKEUP
DATA BUFFER
INTERNAL BUS
SBR12:0
BAUDRATE
CLOCK
RAF
LOGIC
SHIFT DIRECTION
ACTIVE EDGE
DETECT
LBKDE
MSBF
GENERATOR
SHIFT REGISTER
M10
RXINV
IRQ / DMA
LOGIC
DMA Requests
IRQ Requests
PARITY
LOGIC
CONTROL
RxD
RxD
LOOPS
RSRC
From Transmitter
RECEIVER
SOURCE
CONTROL
BAUD
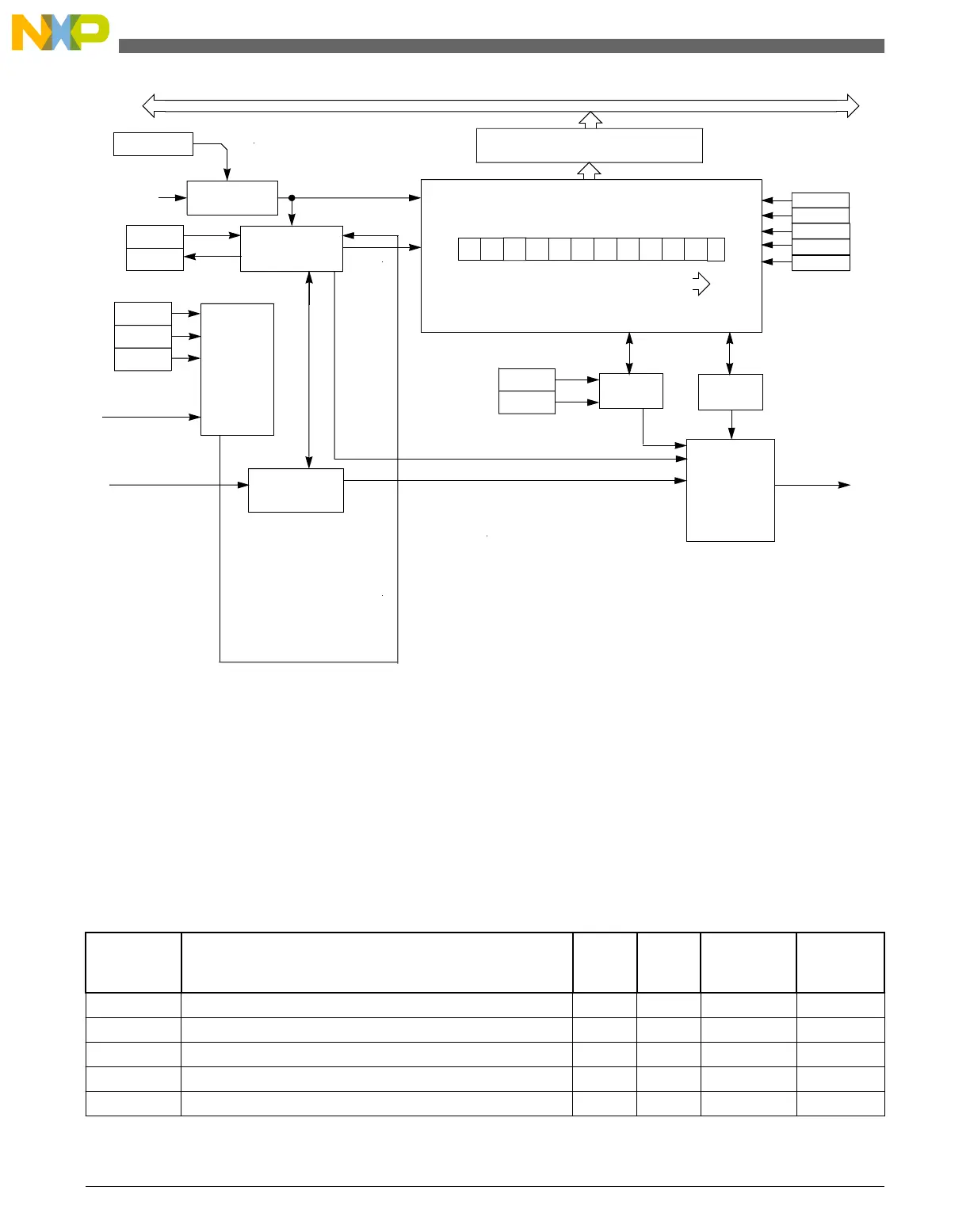
Figure 39-2. UART receiver block diagram
39.2 Register definition
The UART includes registers to control baud rate, select UART options, report UART
status, and for transmit/receive data. Accesses to address outside the valid memory map
will generate a bus error.
UART memory map
Absolute
address
(hex)
Register name
Width
(in bits)
Access Reset value
Section/
page
4006_A000 UART Baud Rate Register High (UART0_BDH) 8 R/W 00h 39.2.1/725
4006_A001 UART Baud Rate Register Low (UART0_BDL) 8 R/W 04h 39.2.2/726
4006_A002 UART Control Register 1 (UART0_C1) 8 R/W 00h 39.2.3/726
4006_A003 UART Control Register 2 (UART0_C2) 8 R/W 00h 39.2.4/728
4006_A004 UART Status Register 1 (UART0_S1) 8 R/W C0h 39.2.5/729
Table continues on the next page...
Register definition
KL25 Sub-Family Reference Manual, Rev. 3, September 2012
724 Freescale Semiconductor, Inc.

Table of Contents

Related product manuals