EasyManua.ls Logo

ST ST10F276E - Port3; Figure 34. Block Diagram of a Port2 Pin

ST ST10F276E
564 pages
Print Icon
To Next Page IconTo Next Page
To Next Page IconTo Next Page
To Previous Page IconTo Previous Page
To Previous Page IconTo Previous Page
Loading...
Parallel ports UM0404
150/564 DocID13284 Rev 2
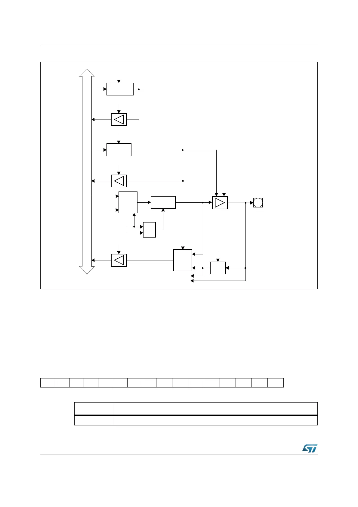
Figure 34. Block diagram of a Port2 pin
6.5 Port3
If this 15 bit port is used for general purpose I/O, the direction of each line can be configured
by the corresponding direction register DP3. Most port lines can be switched into push-pull
or open-drain mode by the open-drain control register ODP3 (pins P3.15 and P3.12 do not
support open drain mode).
Due to pin limitations, register bit P3.14 is not connected to any output pin.
P3 (FFC4h / E2h) SFR Reset Value: 0000h
Open Drain
Latch
Write ODP2.y
Read ODP2.y
Direction
Latch
Write DP2.y
Read DP2.y
Internal Bus
MUX
0
1
Alternate data input
Input
Latch
Clock
P2.y
CCyIO
Output
Buffer
x = 7...0
Alternate
Data
Output
MUX
0
1
Output
Latch
1
Write Port P2.y
Compare Trigger
Read P2.y
Fast external interrupt input
y = 15...0
EXxIN
1514131211109876543210
P3.15 - P3.13P3.12P3.11P3.10 P3.9 P3.8 P3.7 P3.6 P3.5 P3.4 P3.3 P3.2 P3.1 P3.0
RW RW RW RW RW RW RW RW RW RW RW RW RW RW RW
Bit Function
P3.y Port data register P3 bit y

Table of Contents

Related product manuals