EasyManua.ls Logo

ST ST10F276E - Mode Selection and Operation; Figure 159. Analog; Digital Converter Block Diagram

ST ST10F276E
564 pages
Print Icon
To Next Page IconTo Next Page
To Next Page IconTo Next Page
To Previous Page IconTo Previous Page
To Previous Page IconTo Previous Page
Loading...
Analog / digital converter UM0404
372/564 DocID13284 Rev 2
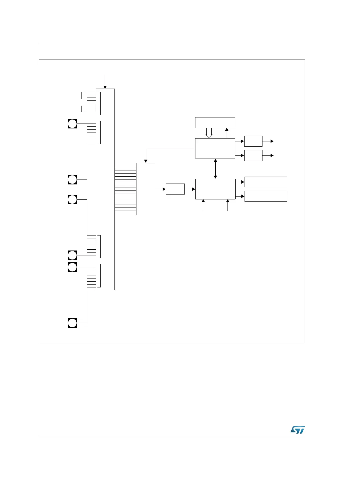
Figure 159. Analog / digital converter block diagram
19.1 Mode selection and operation
The analog input channels AN0...AN15 are alternate functions of Port5 which is a 16-bit
input-only port. The Port5 lines may either be used as analog or digital inputs. No special
action is required to configure the Port5 lines as analog inputs.
The additional register P5DIDIS can be used to further protect ADC input analog section
disabling the digital input section. Section 6.7.2: Port5 analog inputs disturb protection on
page 163 for details on register P5DIDIS.
ADCIR
ADEIR
8
Analog
Input
Channels
:
:
:
:
AN16
P1L.0
AN23
P1L.7
S + H
10-Bit
Converter
Conversion
Control
ADCON
Result Reg. ADDAT
Result Reg. ADDAT2
Interrupt
Requests
V
AREF
V
AGND
ADCMUX
8
Analog
Input
Channels
:
:
:
:
AN0
P5.0
AN7
P5.7
8
Analog
Input
Channels
:
:
:
:
AN8
P5.8
AN15
P5.15
MUX
32-16
MUX
16-1
0
1
Open (*)
(*) Open means floating input seen by A/D Converter, so unpredictable conversion result expected.

Table of Contents

Related product manuals