EasyManua.ls Logo

ST ST10F276E - Figure 76. GPT1 Block Diagram; GPT1 Core Timer T3

ST ST10F276E
564 pages
Print Icon
To Next Page IconTo Next Page
To Next Page IconTo Next Page
To Previous Page IconTo Previous Page
To Previous Page IconTo Previous Page
Loading...
DocID13284 Rev 2 217/564
UM0404 The general purpose timer units
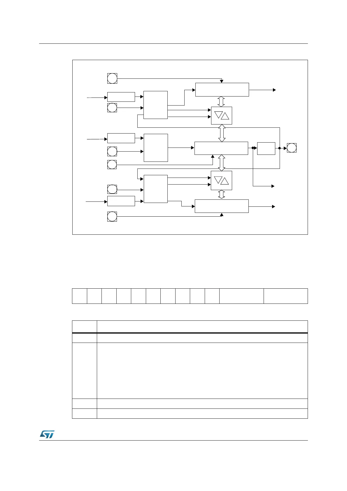
Figure 76. GPT1 block diagram
9.1.1 GPT1 core timer T3
The core timer T3 is configured and controlled via its bit-addressable control register
T3CON.
T3CON (FF42h / A1h) SFR Reset Value: 0000h
2
n
n=3...10
2
n
n=3...10
2
n
n=3...10
T2EUD
T2IN
CPU Clock
CPU Clock
CPU Clock
T3EUD
T4IN
T3IN
T4EUD
T2
Mode
T3
Mode
T4
Mode
GPT1 Timer T2
GPT1 Timer T3
GPT1 Timer T4
T3OTL
Reload
Capture
U/D
U/D
Reload
Capture
Interrupt
Request
Interrupt
Request
Interrupt
Request
T3OUT
U/D
P5.15
P3.7
P3.6
P3.4
P3.5
P5.14
P3.3
1514131211109876543210
-----
T3OT
L
T3OE
T3UD
E
T3UD T3R T3M T3I
RW RW RW RW RW RW RW RW RW RW RW
Bit Function
T3I Timer 3 Input Selection - Depends on the operating mode, see respective sections.
T3M
Timer 3 Mode Control (Basic Operating Mode)
0 0 0: Timer Mode
0 0 1: Counter Mode
0 1 0: Gated Timer with Gate active low
0 1 1: Gated Timer with Gate active high
1 0 X: Reserved (do not use this combination)
1 1 0: Incremental interface mode
1 1 1: Reserved (do not use this combination)
T3R Timer 3 Run bit: T3R = ‘0’: Timer / Counter 3 stops - T3R = ‘1’: Timer / Counter 3 runs
T3UD Timer 3 Up / Down Control
(1)

Table of Contents

Related product manuals