EasyManua.ls Logo

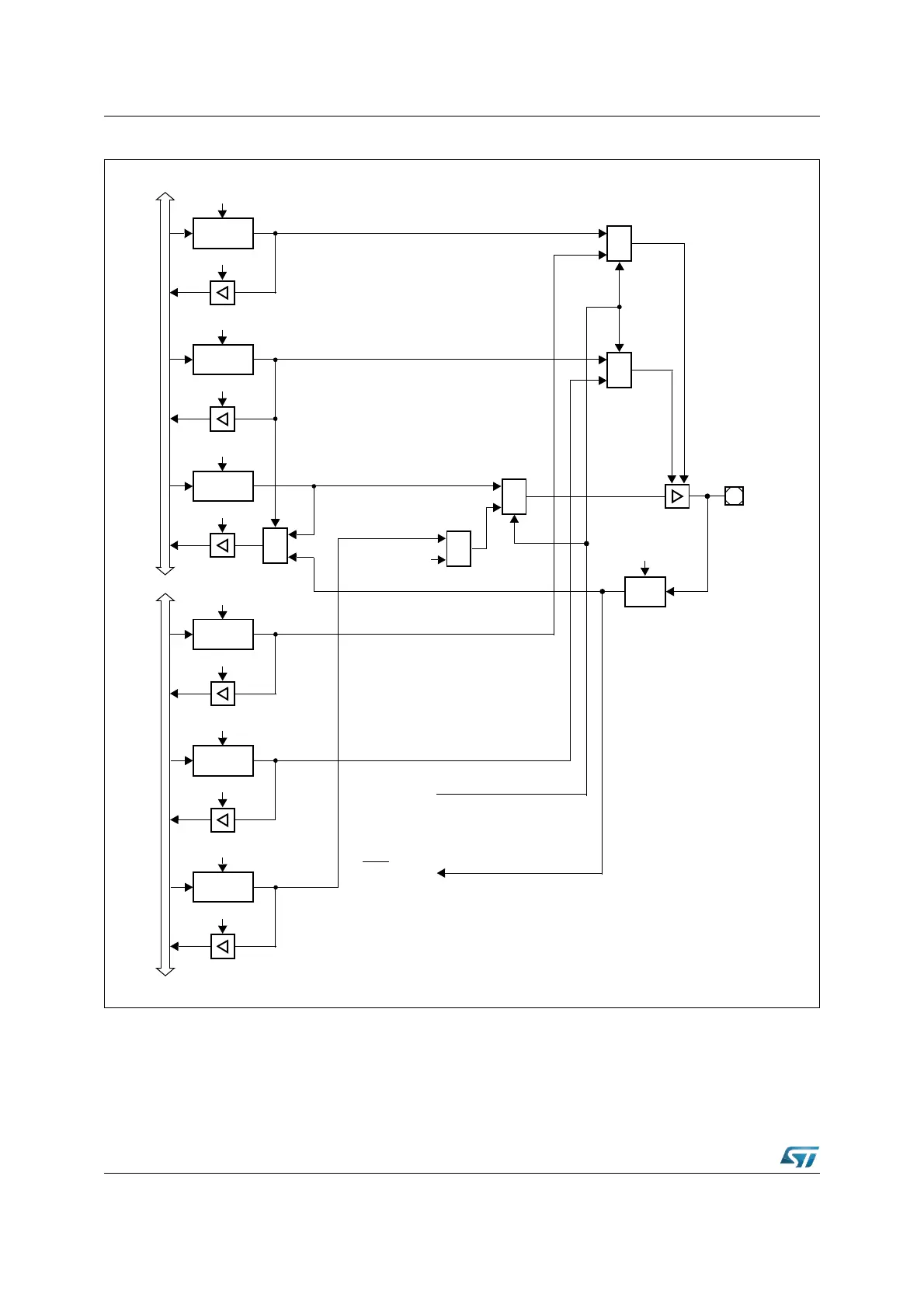
ST ST10F276E - Figure 48. Block Diagram of P6.5 Pin

ST ST10F276E
564 pages
Print Icon
To Next Page IconTo Next Page
To Next Page IconTo Next Page
To Previous Page IconTo Previous Page
To Previous Page IconTo Previous Page
Loading...
Parallel ports UM0404
168/564 DocID13284 Rev 2
Figure 48. Block diagram of P6.5 pin
P6.5
Open Drain
Latch
Write ODP6.5
Read ODP6.5
Direction
Latch
Write DP6.5
Read DP6.5
Port Output
Latch
Write P6.5
Read P6.5
MUX
1
0
MUX
1
0
Open Drain
Latch
Write XODP6.5
Read XODP6.5
Direction
Latch
Write XDP6.5
Read XDP6.5
Port Output
Latch
Write XP6.5
Read XP6.5
&
SCLK1
Data Output
Output
Buffer
MUX
0
1
MUX
0
1
Input
Latch
Clock
XPERCON.8
(XSSCEN)
HOLD
/ SCLK1
Data Input
I
n
t
e
r
n
a
l
B
u
s
I
n
t
e
r
n
a
l
X
b
u
s

Table of Contents

Related product manuals