EasyManua.ls Logo

ST ST10F276E - Figure 42. Block Diagram of P4.6 Pin

ST ST10F276E
564 pages
Print Icon
To Next Page IconTo Next Page
To Next Page IconTo Next Page
To Previous Page IconTo Previous Page
To Previous Page IconTo Previous Page
Loading...
Parallel ports UM0404
160/564 DocID13284 Rev 2
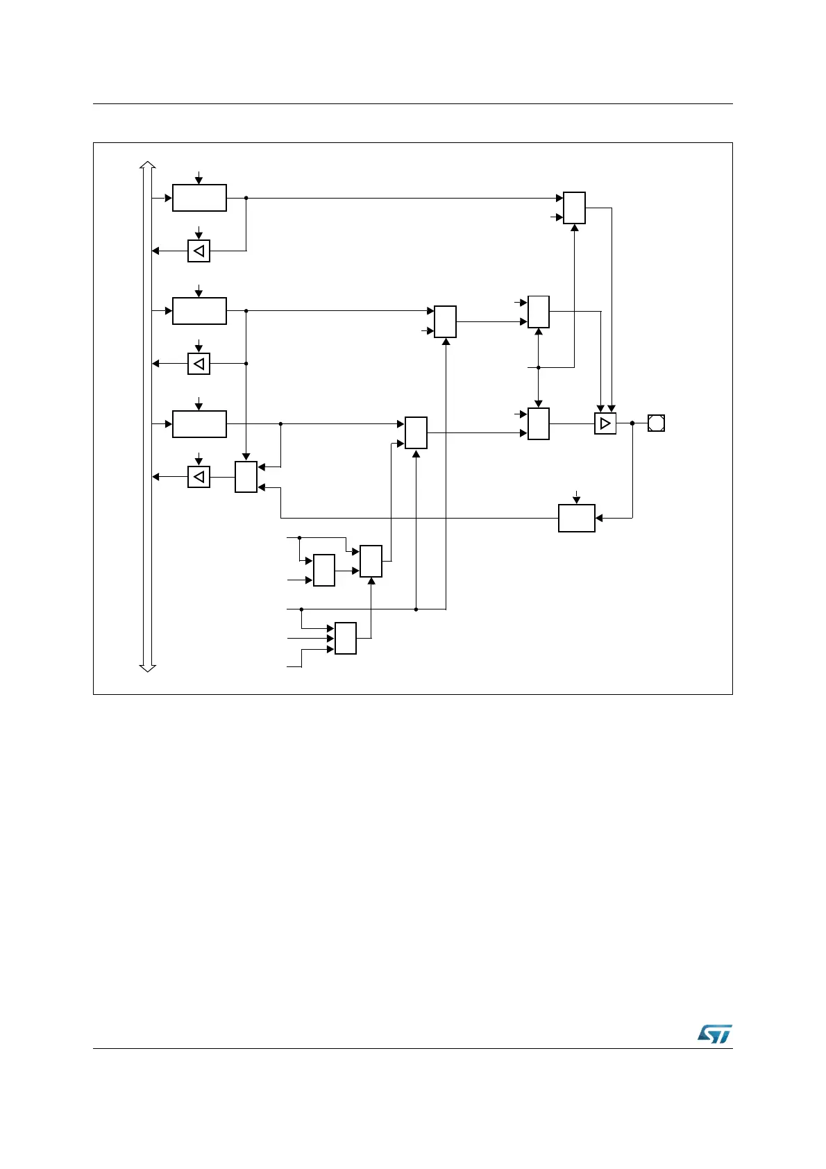
Figure 42. Block diagram of P4.6 pin
Note: When SALSEL = ‘10’, that is 8-bit segment address lines are selected, P4.6 is dedicated to
output the address: any attempt to use the CAN1 on P4.6 is masked.
When CAN parallel mode is selected, CAN2_TxD is remapped on P4.6: this occurs only if
CAN1 is enabled as well. On the contrary, if CAN1 is disabled, no remapping occurs.
MUX
0
1
P4.6
Open Drain
Latch
Write ODP4.6
Read ODP4.6
Direction
Latch
Write DP4.6
Read DP4.6
Port Output
Latch
Write P4.6
Read P4.6
MUX
1
0
MUX
1
0
‘0’
CAN2_TxD
Data Output
Output
Buffer
Input
Latch
Clock
XMISC.1
(CANPAR)
I
n
t
e
r
n
a
l
B
u
s
&
MUX
1
0
CAN1_TxD
Data Output
XPERCON.0
(CAN1EN)
MUX
1
0
Ext. Memory
Data Output
MUX
1
0
‘1’
Ext. Memory
Function
MUX
0
1
Enable
‘1’
XPERCON.1
(CAN2EN)
&

Table of Contents

Related product manuals