EasyManua.ls Logo

ST ST10F276E - CAPCOM Timers; Figure 134. CAPCOM Unit Block Diagram

ST ST10F276E
564 pages
Print Icon
To Next Page IconTo Next Page
To Next Page IconTo Next Page
To Previous Page IconTo Previous Page
To Previous Page IconTo Previous Page
Loading...
DocID13284 Rev 2 329/564
UM0404 The capture / compare units
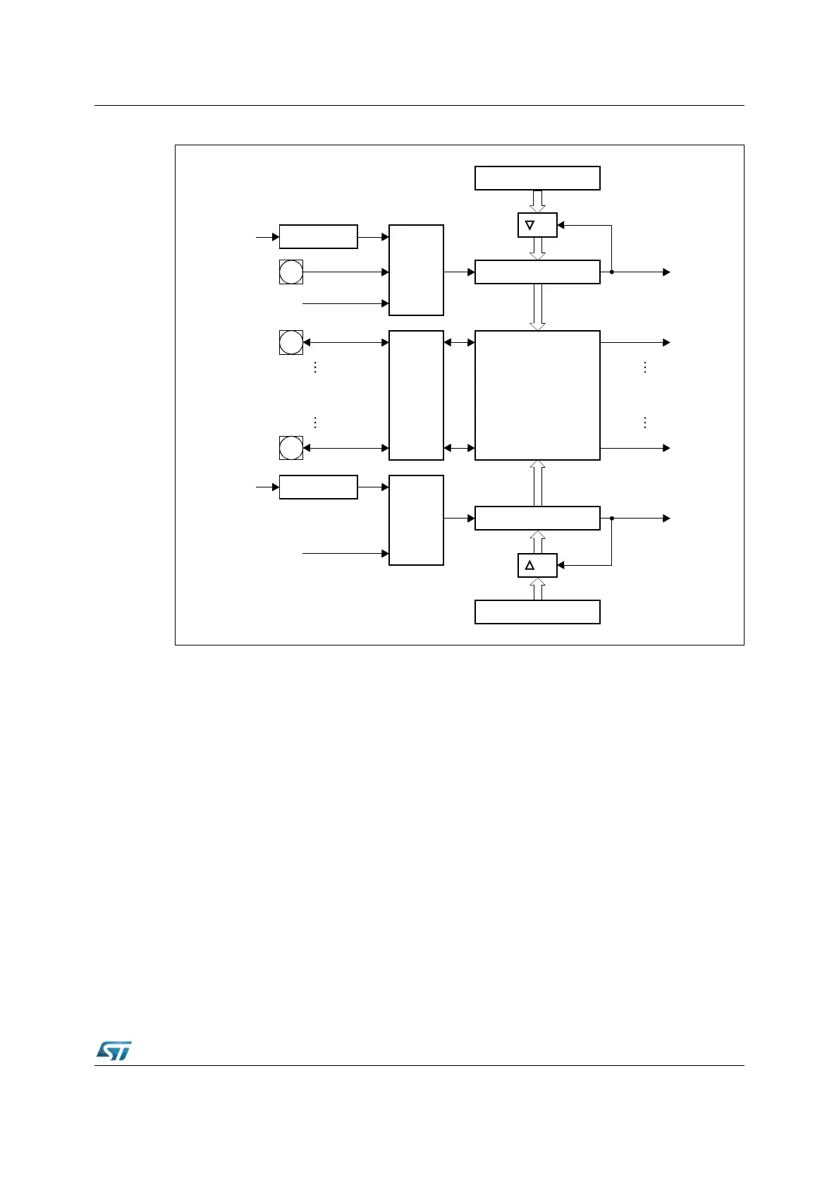
Figure 134. CAPCOM unit block diagram
Note: The CAPCOM2 unit provides 16 capture inputs, but only 12 compare outputs.
16.1 CAPCOM timers
The primary use of the timers T0 / T1 and T7 / T8 is to provide two independent time bases
for the capture / compare registers of each unit, but they may also be used independent of
the capture / compare registers. The basic structure of the four timers is identical, while the
selection of input signals is different for timers T0 / T7 and timers T1 / T8.
Tx
Input
Control
2
n
n = 3...10
GPT2 Timer T6
TxIN
CPU
Clock
Mode
Control
(Capture
or
Compare)
16
Capture inputs
Compare outputs
Ty
Input
Control
2
n
n = 3...10
GPT2 Timer T6
Over / Underflow
CPU
Clock
Reload Register TxREL
CAPCOM Timer Tx
Interrupt
Request
Sixteen 16-bit
(Capture/Compare)
Registers
Over / Underflow
CAPCOM Timer Ty
Reload Register TyREL
16
Capture / Compare
Interrupt Requests
Interrupt
Request
x = 0, 7
y = 1, 8

Table of Contents

Related product manuals