EasyManua.ls Logo

ST ST10F276E - Figure 55. Block Diagram of P8.6 Pin

ST ST10F276E
564 pages
Print Icon
To Next Page IconTo Next Page
To Next Page IconTo Next Page
To Previous Page IconTo Previous Page
To Previous Page IconTo Previous Page
Loading...
Parallel ports UM0404
178/564 DocID13284 Rev 2
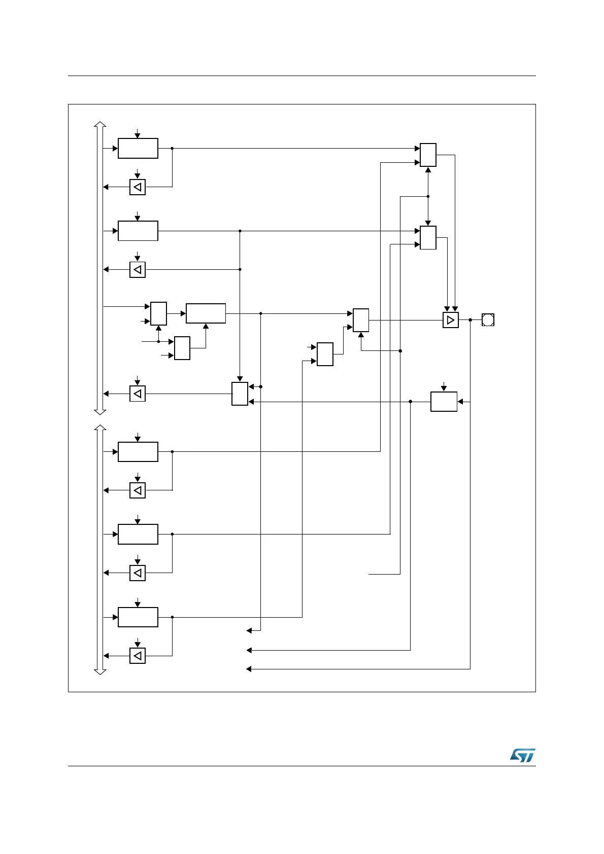
Figure 55. Block diagram of P8.6 pin
P8.6
Open Drain
Latch
Write ODP8.6
Read ODP8.6
Direction
Latch
Write DP8.6
Read DP8.6
Port Output
Latch
Write P8.6
Read P8.6
MUX
1
0
MUX
1
0
Open Drain
Latch
Write XODP8.6
Read XODP8.6
Direction
Latch
Write XDP8.6
Read XDP8.6
Port Output
Latch
Write XP8.6
Read XP8.6
Output
Buffer
Input
Latch
Clock
XPERCON.7
(XASCEN)
CC22IO
Data Input
I
n
t
e
r
n
a
l
B
u
s
I
n
t
e
r
n
a
l
X
b
u
s
&
MUX
0
1
MUX
0
1
MUX
1
0
1
CC22IO
Data Output
Compare Trigger
CC22IO
Latch Data Input
RxD1
Data Input
RxD1
Data Output

Table of Contents

Related product manuals