EasyManua.ls Logo

Cmsemicon CMS32L051 - Page 113

Default Icon
703 pages
Print Icon
To Next Page IconTo Next Page
To Next Page IconTo Next Page
To Previous Page IconTo Previous Page
To Previous Page IconTo Previous Page
Loading...
V1.2.2
CMS32L051 User Manual |Chapter 5 Universal Timer Unit (Timer4)
www.mcu.com.cn 113 / 703
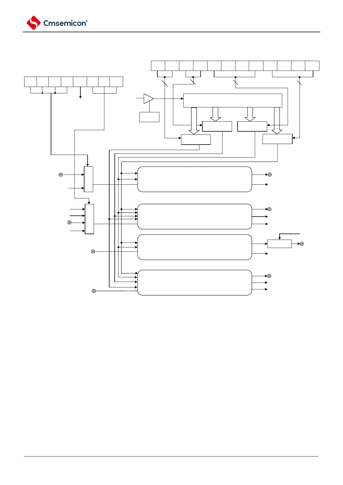
The block diagram of the universal timer unit is shown in Figure 5-1.
Figure 5-1 Block diagram of universal timer unit 0
TIS07 TIS06 TIS05 TIS04 TOS03 TIS02 TIS01 TIS00
Timer input selection register0 (TIOS0)
TI00
TO02 output control
input event from EVENTC
fSUB
fIL
TI01
input event from EVENTC
TI02
TI03
Channel 0
PRS031 PRS030 PRS021 PRS020 PRS013 PRS012 PRS011 PRS010 PRS003 PRS002 PRS001 PRS000
Timer clock selection register0 (TPS0)
pre-scalerfCLK/2
15
~ fCLK/2
0
selector selector
fCLK
TM40EN
peripheral
enable register0
PER0
selector
selector
2
2
4
4
Channel 1
Channel 2
Channel 3
CK03
CK02 CK01
CK00
TO00
INTTM00
(Timer interrupt)
TO01
INTTM01
INTTM01H
INTTM02
output
control
TOS03
TO02
TO03
INTTM03
INTTM03H
selector
selector
Note f
SUB
: Subsystem clock frequency
f
IL
: Low speed internal oscillator clock frequency

Table of Contents

Related product manuals