EasyManua.ls Logo

Cmsemicon CMS32L051 - 14.4 Function of I2 C-bus mode

Default Icon
703 pages
Print Icon
To Next Page IconTo Next Page
To Next Page IconTo Next Page
To Previous Page IconTo Previous Page
To Previous Page IconTo Previous Page
Loading...
V1.2.2
CMS32L051 User Manual |Chapter 14 Serial interface IICA
www.mcu.com.cn 499 / 703
14.4 Function of I
2
C-bus mode
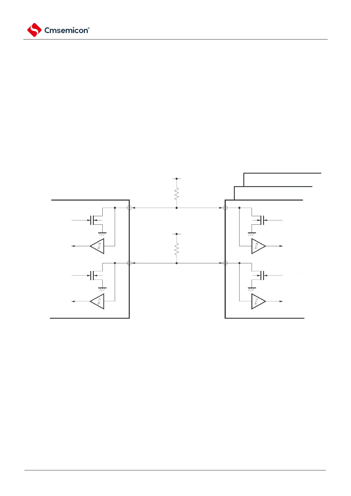
14.4.1 Pin structure
The structure of the serial clock pin (SCLAn) and the serial data bus pin (SDAAn) is as follows.
(1) SCLAn...... input/output pin of the serial clock
The outputs of the master and slave devices are N-channel open-drain outputs, and the inputs are
Schmitt inputs.
(2) SDAAn...... input/output multiplexing pin for serial data
The outputs of the master and slave devices are N-channel open-drain outputs, and the inputs are
Schmitt inputs.
Because the outputs of the serial clock line and serial data bus are N-channel open-drain outputs, an
external pull-up resistor is required.
Figure 14-12 Pin structure diagram
master control device
clock
output
(clock
input)
Data output
Data input
Data output
Data input
(clock output)
clock input
slave device
SCLAn
SDAAn
SCLAn
SDAAn
VDD
VSS
VSSVSS
VSS
VDD
Remark n=0

Table of Contents

Related product manuals