EasyManua.ls Logo

Cmsemicon CMS32L051 - Chapter 13 Serial Interface SPI; 13.1 Serial interface SPI function; 13.2 Structure of SPI

Default Icon
703 pages
Print Icon
To Next Page IconTo Next Page
To Next Page IconTo Next Page
To Previous Page IconTo Previous Page
To Previous Page IconTo Previous Page
Loading...
V1.2.2
CMS32L051 User Manual |Chapter 13 Serial Interface SPI
www.mcu.com.cn 459 / 703
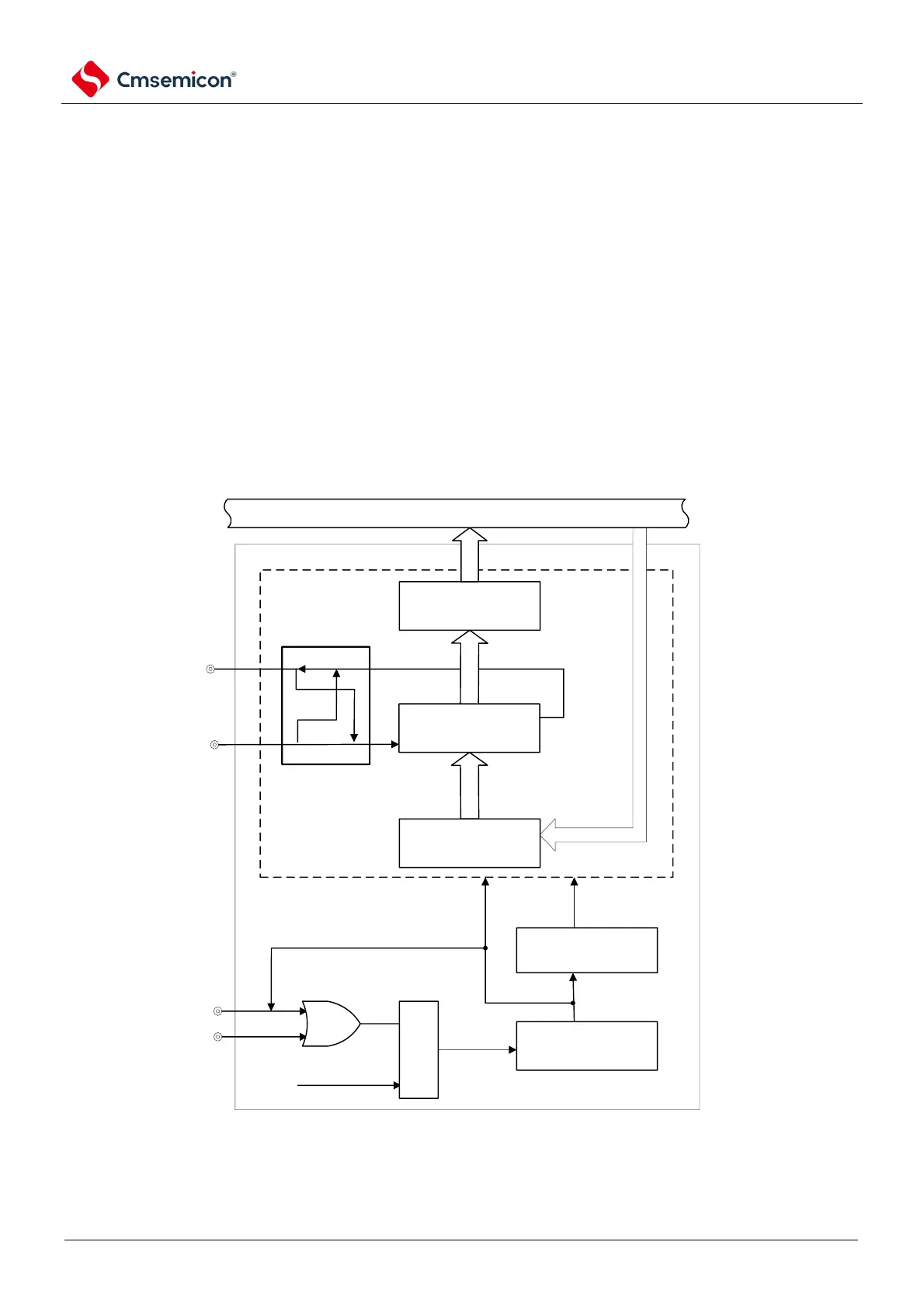
Chapter 13 Serial Interface SPI
13.1 Serial interface SPI function
The serial interface SPI has the following two modes.
(1) Operation Stop mode
This is a mode used when no serial transfer is taking place, which reduces power consumption.
(2) 3-wire serial I/O mode
This mode transfers 8- or 16-bit data to multiple devices via 3 wires of the serial clock (SCK) and serial
data bus (MISO and MOSI).
13.2 Structure of SPI
Figure13-1 Block diagram of serial interface SPI
移位寄存
发送缓冲寄存器
接收缓冲寄存器
MOSI
MISO
内部总线
SCK
NSS
fCLK
时钟控制
通信电路
SPI
Receive
buffer register
Transmit
buffer register
shift register
Communication
circuit
clock control
circuit
selector
internal bus

Table of Contents

Related product manuals