EasyManua.ls Logo

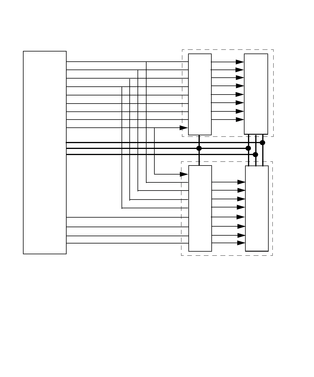
Sun Microsystems Blade 1500 - FIGURE C-4 Sun Blade 1500 Memory Block Diagram

Sun Microsystems Blade 1500
500 pages
Print Icon
To Next Page IconTo Next Page
To Next Page IconTo Next Page
To Previous Page IconTo Previous Page
To Previous Page IconTo Previous Page
Loading...
C-12 Sun Blade 1500 Service, Diagnostics, and Troubleshooting Manual December 2004
FIGURE C-4 Sun Blade 1500 Memory Block Diagram
CPU
Mem_Add[13:0]
BA[1:0]
RAS, CAS
WE
CS_A[1:0]
CLK_A+[1:0]
CLK_A-[1:0]
CKE_A[1:0]
SDQ[17:0]
SDQ[31:18],ECCS[2:0]
DATA[127:0]
ECC[8:0]
CS_B[1:0]
CLK_B+[1:0]
CLK_B-[1:0]
CKE_B[1:0]
CLK_A-[0]
CLK_A+[0]
CLK_A+[1]
CLK_A-[1]
CLK_B+[0]
CLK_B-[0]
CLK_B+[1]
CLK_B-[1]
DIMM0
DIMM1
DIMM2 DIMM3
Group1
Group2

Table of Contents

Related product manuals