EasyManua.ls Logo

Boeing 737-600 - Page 2089

Boeing 737-600
2300 pages
Print Icon
To Next Page IconTo Next Page
To Next Page IconTo Next Page
To Previous Page IconTo Previous Page
To Previous Page IconTo Previous Page
Loading...
F
W
D
5
GAP
1
GAP
6
GAP
[I]
[H]
4GAP
[A]
3GAP
2GAP
[G]
[F]
[D]
[E]
[C][B]
1 WASHER TOTAL IN THIS AREA
8 WASHERS TOTAL IN THIS AREA
ONE WASHER
IS NECESSARY
IN THIS
POSITION
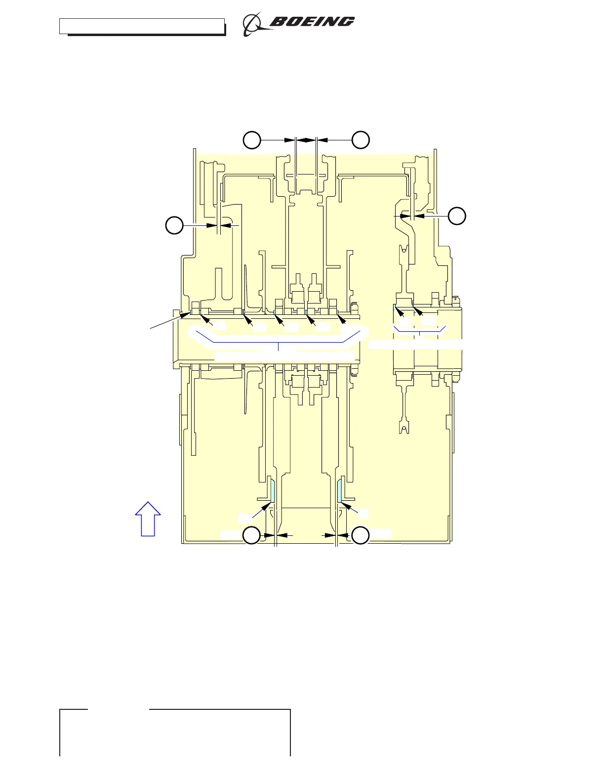
NOTE:
REFER TO TABLE A FOR CONTROL SHAFT ADJUSTMENT GAP LIMITS.
G29619 S0006583070_V2
Control Shaft Washer (Shim) Limits
Figure 406/76-11-02-990-805-F00 (Sheet 1 of 3)
737-600/700/800/900
AIRCRAFT MAINTENANCE MANUAL
CFM56 ENGINES (CFM56-7)
76-11-02
Page 434
D633A101-ILF Jun 15/2019
ECCN 9E991 BOEING PROPRIETARY - Copyright © Unpublished Work - See title page for details
EFFECTIVITY
ILF 101, 151, 156-199, 301, 304, 308, 310, 314, 315, 317-319, 323, 331-399, 401,
402, 405, 406, 409, 410, 412, 416, 424, 425, 427-429, 451, 452, 491-504, 507-510,
512-516, 518-520, 523-528, 530-533, 535-537, 541, 542, 552-557, 559-564,
567-569, 571-577, 581, 583, 585, 588-590, 592-599, 601-603, 606, 607, 610-615,
620, 671, 672, 686, 691-699, 703, 707-710, 803-813, 821, 822, 831-834, 836, 837,
841, 842, 851, 852, 854-858, 861-863, 871-874, 947, 948, 968-973, 980-999

Table of Contents

Related product manuals