EasyManua.ls Logo

Boeing 737-600 - Page 2037

Boeing 737-600
2300 pages
Print Icon
To Next Page IconTo Next Page
To Next Page IconTo Next Page
To Previous Page IconTo Previous Page
To Previous Page IconTo Previous Page
Loading...
F
W
D
5
GAP
1
GAP
6
GAP
[I]
[H]
4GAP
[A]
3GAP
2GAP
[G]
[F]
[D]
[E]
[C][B]
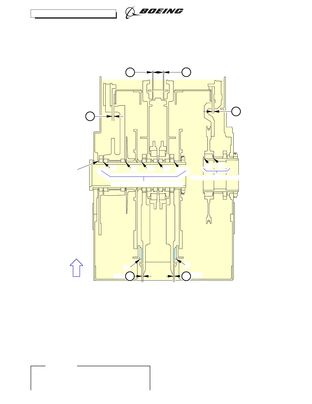
1 WASHER TOTAL IN THIS AREA
8 WASHERS TOTAL IN THIS AREA
ONE WASHER
IS NECESSARY
IN THIS
POSITION
G05878 S0006583053_V2
Control Shaft Washer (Shim) Limits
Figure 408/76-11-01-990-810-F00 (Sheet 1 of 3)
737-600/700/800/900
AIRCRAFT MAINTENANCE MANUAL
CFM56 ENGINES (CFM56-7)
76-11-01
Page 420
D633A101-ILF Oct 15/2017
ECCN 9E991 BOEING PROPRIETARY - Copyright © Unpublished Work - See title page for details
EFFECTIVITY
ILF ALL

Table of Contents

Related product manuals