EasyManua.ls Logo

Fujitsu PRIMERGY TX2560 M2 - Connectors and Indicators; Connectors and Indicators on the System Board; Onboard Connectors

Fujitsu PRIMERGY TX2560 M2
568 pages
Print Icon
To Next Page IconTo Next Page
To Next Page IconTo Next Page
To Previous Page IconTo Previous Page
To Previous Page IconTo Previous Page
Loading...
TX2560 M2 / RX2560 M2 Upgrade and Maintenance Manual
549
Appendix
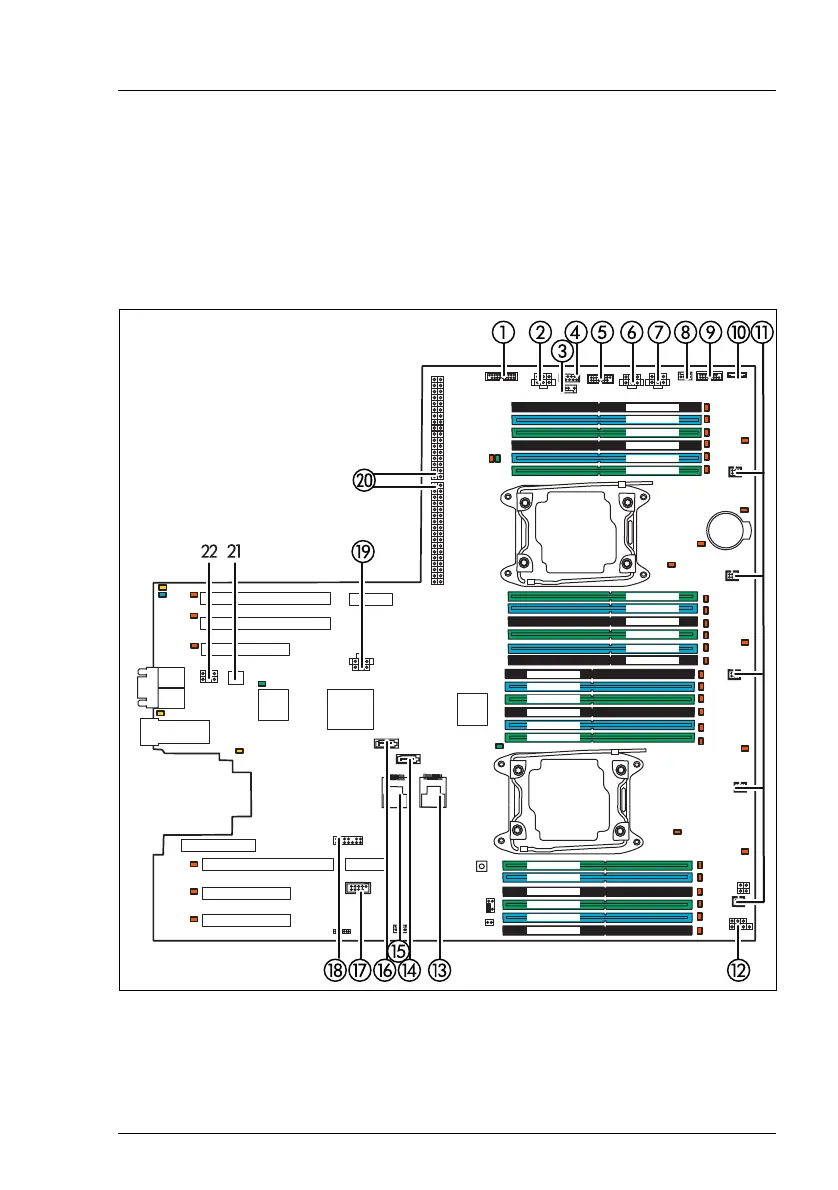
17.2 Connectors and indicators
17.2.1 Connectors and indicators on the system board
17.2.1.1 Onboard connectors
Figure 422: Internal connectors of system board D3289
iRMC
external connectors
HDD LED
INDICATE
LDL
Intrusion
TPM
Battery
USB
1
Management LAN
USB 3/4
SLOT 3 PCIe x16 Riser 1
SLOT 9 PCIe x16 Riser 2
SLOT 8 PCIe x16
SLOT 2 PCIe x8
SLOT 1 (RAID)PCIe x8
PCH
1
JP1
JP3
FAN 5
FAN 4
FAN 3
FAN 2
FAN 1
SATA5
SATA6 DOM
USB INT 1
LCD
Front
panel 1
Front VGA
PSU 1
USB
2
Riser 1
PWR 12V 4
SLOT 7 PCIe x8
PSU2
SATA 1-4
microSD
Riser 2
VGA
USB3.0 Front
Front
panel 2
UFM
CPU 1 DIMM 3D
CPU 1
CPU 2
CPU 1 DIMM 2D
CPU 1 DIMM 1D
CPU 1 DIMM 3C
CPU 1 DIMM 2C
CPU 1 DIMM 1C
CPU 2 DIMM 3H
CPU 2 DIMM 2H
CPU 2 DIMM 1H
CPU 2 DIMM 3G
CPU 2 DIMM 2G
CPU 2 DIMM 1G
CPU 1 DIMM 1A
CPU 1 DIMM 2A
CPU 1 DIMM 3A
CPU 1 DIMM 1B
CPU 1 DIMM 2B
CPU 1 DIMM 3B
CPU 2 DIMM 1E
CPU 2 DIMM 2E
CPU 2 DIMM 3E
CPU 2 DIMM 1F
CPU 2 DIMM 2F
CPU 2 DIMM 3F
BIOS
Flash
COM 1
I2C5
PWR ODD
Dyn LoM
PWR 12V 1
PWR 12V 2
SATA 7-10
JP2
USB 3.0 INT
PWR 12V 3

Table of Contents

Other manuals for Fujitsu PRIMERGY TX2560 M2

Related product manuals