EasyManua.ls Logo

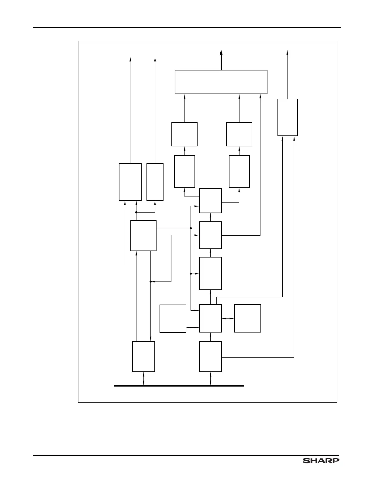
Sharp LH79524 - Figure 4-3. Color LCD Controller Block Diagram

Sharp LH79524
555 pages
Print Icon
To Next Page IconTo Next Page
To Next Page IconTo Next Page
To Previous Page IconTo Previous Page
To Previous Page IconTo Previous Page
Loading...
Color Liquid Crystal Display Controller LH79524/LH79525 User’s Guide
4-4 Version 1.0
Figure 4-3. Color LCD Controller Block Diagram
LH79525-37
AHB
MASTER
INTERFACE
ADVANCED HIGH
PERFORMANCE
BUS (AHB)
AHB
SLAVE
INTERFACE
PANEL
CLOCK
GENERATOR
TIMING
CONTROLLER
CONTROL
AND
STATUS
REGISTER
UPPER
PANEL
FORMATTER
UPPER
PANEL
OUTPUT
FIFO
STN/TFT
DATA
SELECT
UPPER
STN DATA
LCD PANEL
CLOCK
LCD PANEL
CONTROL
INPUT
FIFO
CONTROL
PIXEL
SERIALIZER
PALETTE
(128 × 32)
GRAY
SCALER
CLCDCLK
UPPER
PANEL
DMA
FIFO
LOWER
PANEL
DMA
FIFO
LOWER
PANEL
FORMATTER
INTERRUPT
GENERATION
INTERRUPTS
LOWER
PANEL
OUTPUT
FIFO
LOWER
STN
DATA
TFT DATA
FIFO UNDERFLOW
AHB ERROR
LCD
PANEL
DATA

Table of Contents

Related product manuals