EasyManua.ls Logo

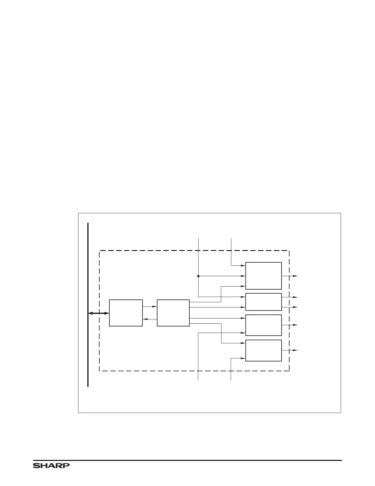
Sharp LH79524 - Figure 3-1. Boot Controller Block Diagram

Sharp LH79524
555 pages
Print Icon
To Next Page IconTo Next Page
To Next Page IconTo Next Page
To Previous Page IconTo Previous Page
To Previous Page IconTo Previous Page
Loading...
Version 1.0 3-1
Chapter 3
Boot Controller
The Boot Controller is the same for both the LH79524 and LH79525. All references in this
chapter apply to both devices.
The Boot Controller provides a glueless interface to external NAND Flash devices and
support for memory-mapped peripherals or NAND flash devices when performing AHB
burst read accesses of undetermined length.
By monitoring external boot pins at power-on reset, the Boot Controller supports:
Booting from 8-, 16-, or 32-bit memory
Configuration of the byte-lane boot state for nCS1
Booting from alternate external devices (e.g., NAND Flash, UART, I
2
C).
Figure 3-1 shows the Boot Controller block diagram.
Figure 3-1. Boot Controller Block Diagram
REGISTER
BLOCK
nCS1
OVERRIDE
AHB
CONTROL
TO nCS1
TO BOOT ROM
BOOT
CONTROL
NAND FLASH:
nFRE, nFWE
FROM AHB
DECODER
PC[7:4] EXTERNAL
ADDRESS and
CONTROL
AHB
CONTROL
EXTERNAL
PERIPHERAL
INTERFACE
CONTROL
BOOT
CONTROL
NAND
FLASH
CONTROL
AMBA
APB
INTERFACE
LH79525-6
1
ADVANCED
PERIPHERAL
BUS (APB)

Table of Contents

Related product manuals