EasyManua.ls Logo

Sel 411L - Figure 2.42 Typical External AC;DC Connections-Single Circuit Breaker

Sel 411L
1108 pages
Print Icon
To Next Page IconTo Next Page
To Next Page IconTo Next Page
To Previous Page IconTo Previous Page
To Previous Page IconTo Previous Page
Loading...
P.2.45
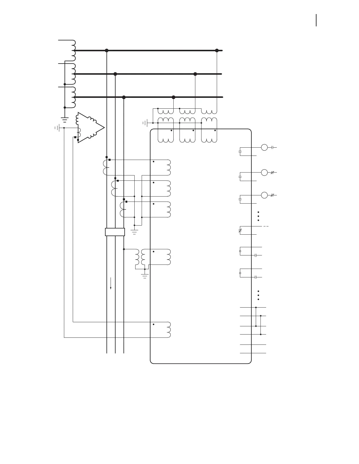
Date Code 20151029 Protection Manual SEL-411L Relay
Installation
AC/DC Connection Diagrams
Figure 2.42 Typical External AC/DC Connections—Single Circuit Breaker
52
Circuit
Breaker
Synchronism
Check
I POL
IAX
VAZ
ICW
IBW
IAW
VCY VBY VAY
A
BUS
Relay
B
C
LINE
Forward Direction
Trip Coil
52A1
OUT201
(+)
(—)
Breaker 1
Trip
Circuit
TC
Close Coil
52B1
OUT202
(+)
(—)
Breaker 1
Close
Circuit
CC
Lock Out
86B1
OUT203
(+)
(—)
Breaker
Failure
Trip
Circuit
86
OUT208
(+)
Alarm to
Annunciator, RTU,
or SEL-2020/2030
IN201
(+)
(—)
(+)
(—)
(+)
(—)
(+)
(—)
(—)
IN202
52A1
Breaker Status 1
Breaker
Failure Lock Out
PowerPower
Vdc1
Vdc2
Monitor Vdc1
(Station Battery)
Monitor Vdc2
(Trip Circuits,
Comms)
BF LO
(+)

Table of Contents

Related product manuals