EasyManua.ls Logo

Sel 411L - Figure 8.1 Signal Processing in the Relay

Sel 411L
1108 pages
Print Icon
To Next Page IconTo Next Page
To Next Page IconTo Next Page
To Previous Page IconTo Previous Page
To Previous Page IconTo Previous Page
Loading...
P.8.3
Date Code 20151029 Protection Manual SEL-411L Relay
Oscillography, Events, and SER
Data Processing
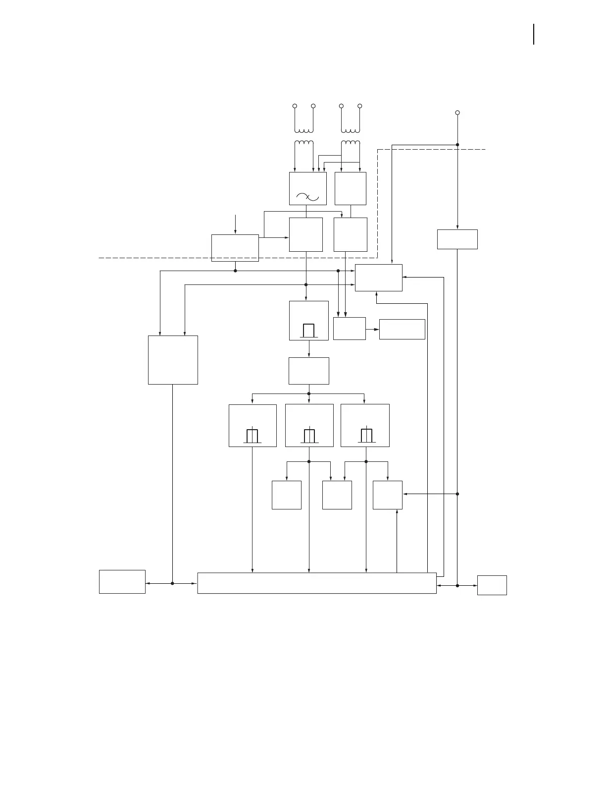
Figure 8.1 Signal Processing in the Relay
8 kHz
A/D
Low Pass
Filter
Hi-Res Data
COMTRADE
Breaker
Monitor
8000 samples/second
Anti-Alias
Digital LPF
Voltages
Control Inputs
Optoisolated
2 kHZ
V&I Source
Select
Hardware
Software
Filtered
Event
Report
Metering
SER
Protection and Automation
RMS
Digital Filter
Half-Cycle
Digital Filter
1-Cycle Cosine
Digital Filter
Digital Elements
Analog Quantities
Sync
IRIG-B
(BNC)
Time of Sample
High-Accuracy
Clock
PROTO := PMU
serial port(s)
Filter and
Down-Sample,
Correlated to
GPS Time
Reference
Synchrophasors
(50 or 60 per second,
depending on NFREQ setting)
Digital Elements (except control inputs)
Debounce
Band
Pass
Filter
1.5625 MHz
A/D
Currents
Traveling Wave
COMTRADE
Traveling
Wave Fault
Location

Table of Contents

Related product manuals