EasyManua.ls Logo

Sel 411L - Figure 3.138 Phase Instantaneous;Definite-Time Overcurrent Elements

Sel 411L
1108 pages
Print Icon
To Next Page IconTo Next Page
To Next Page IconTo Next Page
To Previous Page IconTo Previous Page
To Previous Page IconTo Previous Page
Loading...
P.3.203
Date Code 20151029 Protection Manual SEL-411L Relay
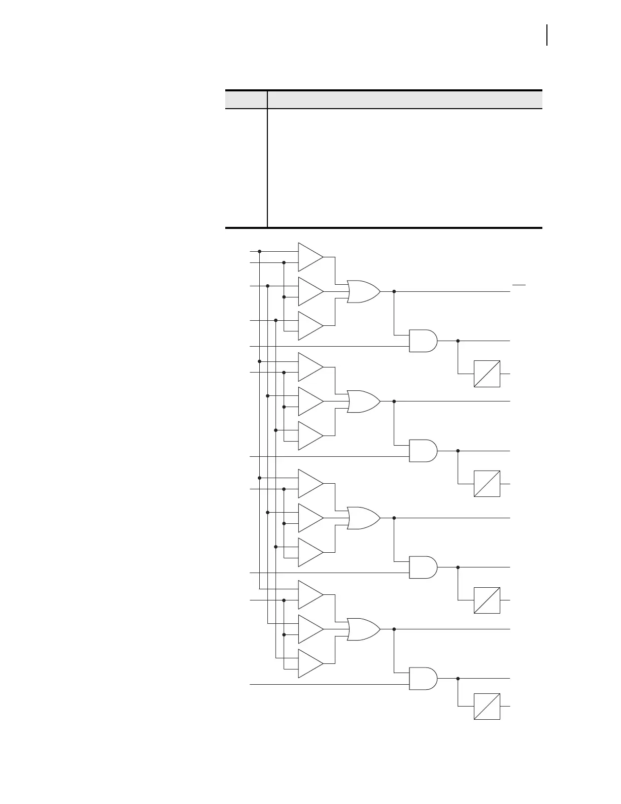
Protection Functions
Instantaneous Line Overcurrent Elements
Figure 3.138 Phase Instantaneous/Definite-Time Overcurrent Elements
67G4 Level 4 definite-time residual ground directional overcurrent element
67G1T Level 1 time-delayed definite-time residual ground directional overcurrent
element
67G2T Level 2 time-delayed definite-time residual ground directional overcurrent
element
67G3T Level 3 time-delayed definite-time residual ground directional overcurrent
element
67G4T Level 4 time-delayed definite-time residual ground directional overcurrent
element
Table 3.107 Residual Ground Instantaneous/Definite-Time Line Overcurrent
Relay Word Bits (Sheet 2 of 2)
Name Description
+
+
+
67P1D
67P1
50P1
IAL
IBL
ICL
67P1TC
(SEL
OGIC
Setting)
50P1P
(Setting)
67P1T
0
+
+
+
67P2D
67P2
50P2
67P2TC
(SEL
OGIC
Setting)
50P2P
(Setting)
67P2T
0
+
+
+
67P3D
67P3
50P3
67P3TC
(SEL
OGIC
Setting)
50P3P
(Setting)
67P3T
67P4T
0
+
+
+
67P4D
67P4
50P4
67P4TC
(SEL
OGIC
Setting)
50P4P
(Setting)
0
Relay
Word
Bits

Table of Contents

Related product manuals