EasyManua.ls Logo

Sel 411L - Figure 3.137 Zone Timers

Sel 411L
1108 pages
Print Icon
To Next Page IconTo Next Page
To Next Page IconTo Next Page
To Previous Page IconTo Previous Page
To Previous Page IconTo Previous Page
Loading...
P.3.199
Date Code 20151029 Protection Manual SEL-411L Relay
Protection Functions
Zone Time Delay
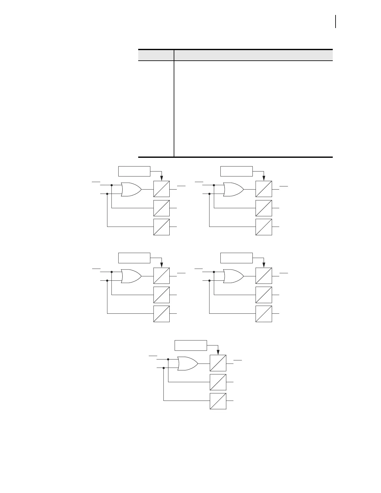
Figure 3.137 Zone Timers
Z1GT Zone 1 ground distance, time delayed
Z2GT Zone 2 ground distance, time delayed
Z3GT Zone 3 ground distance, time delayed
Z4GT Zone 4 ground distance, time delayed
Z5GT Zone 5 ground distance, time delayed
Z1T Zone 1 phase or ground distance, common time delayed
Z2T Zone 2 phase or ground distance, common time delayed
Z3T Zone 3 phase or ground distance, common time delayed
Z4T Zone 4 phase or ground distance, common time delayed
Z5T Zone 5 phase or ground distance, common time delayed
Table 3.101 Zone Time Delay Relay Word Bits (Sheet 2 of 2)
Name Description
Relay
Word
Bits
Relay
Word
Bits
Relay
Word
Bits
Relay
Word
Bits
Relay
Word
Bits
Relay
Word
Bits
Relay
Word
Bits
Relay
Word
Bits
Relay
Word
Bits
Relay
Word
Bits
Z1D
Z1T
Z1PT
Z1GT
Z1P
Z1G
Suspend Timing
Zone 1 Delay Timer Logic
0
CYC
Z1PD
0
CYC
Z1GD
0
CYC
Z2D
Z2T
Z2PT
Z2GT
Z2P
Z2G
Suspend Timing
Zone 2 Delay Timer Logic
0
CYC
Z2PD
0
CYC
Z2GD
0
CYC
Z3D
Z3T
Z3PT
Z3GT
Z3P
Z3G
Suspend Timing
Zone 3 Delay Timer Logic
0
CYC
Z3PD
0
CYC
Z3GD
0
CYC
Z4D
Z4T
Z4PT
Z4GT
Z4P
Z4G
Suspend Timing
Zone 4 Delay Timer Logic
0
CYC
Z4PD
0
CYC
Z4GD
0
CYC
Z5D
Z5T
Z5PT
Z5GT
Z5P
Z5G
Suspend Timing
Zone 5 Delay Timer Logic
0
CYC
Z5PD
0
CYC
Z5GD
0
CYC

Table of Contents

Related product manuals