EasyManua.ls Logo

Sel 411L - Figure 4.21 Synchronism-Check Settings; Figure 4.22 Synchronism-Check Relay Word Bits

Sel 411L
1108 pages
Print Icon
To Next Page IconTo Next Page
To Next Page IconTo Next Page
To Previous Page IconTo Previous Page
To Previous Page IconTo Previous Page
Loading...
P.4.51
Date Code 20151029 Protection Manual SEL-411L Relay
Autoreclosing and Synchronism-Check
Synchronism Check
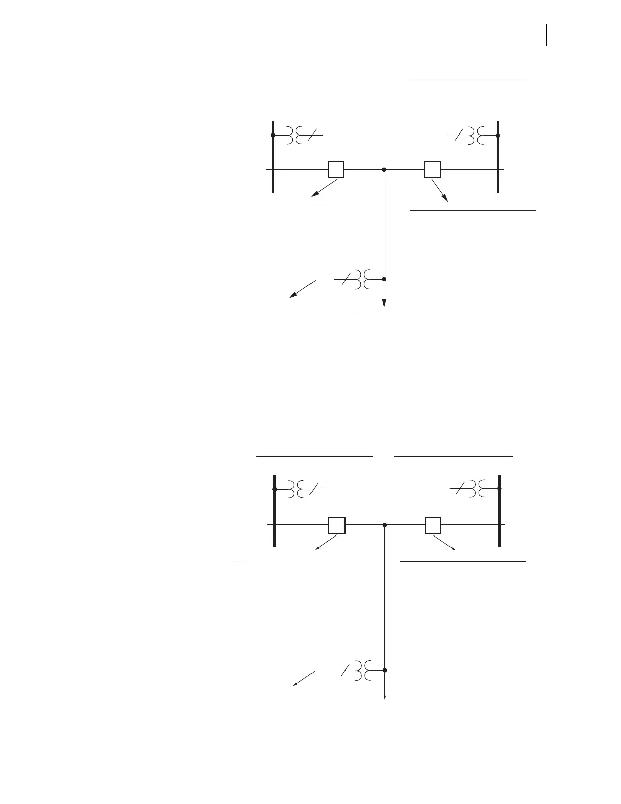
Figure 4.21 Synchronism-Check Settings
Synchronism-Check
Logic Outputs
Figure 4.22 shows the correspondence between synchronism-check logic
outputs (Relay Word bits) and the two-circuit breaker arrangement. These
Relay Word bits assert to logical 1 (e.g., 59VP equals logical 1) if true and
deassert to logical 0 (e.g., 59VS1 equals logical 0) if false. Table 4.26 lists
these Relay Word bits.
Figure 4.22 Synchronism-Check Relay Word Bits
Bus 2
Bus 1
Line
BK2
BK1
Synchronism-Check Voltage Source 1
SYNCS1 — designate voltage input
KS1M — adjust magnitude to reference
KS1A — adjust angle to reference
Synchronism-Check Voltage Reference
SYNCP — designate voltage input
25VL — voltage window/low threshold
25VH — voltage window/high threshold
Synchronism-Check Across Breaker BK2
25SFBK2 — max. slip frequency
ANG1BK2 — max. angle difference 1
ANG2BK2 — max. angle difference 2
TCLSBK2 — breaker close time
BSYNBK2 — block synch check (SEL
OGIC)
Synchronism-Check Across Breaker BK1
25SFBK1 — max. slip frequency
ANG1BK1 — max. angle difference 1
ANG2BK1 — max. angle difference 2
TCLSBK1 — breaker close time
BSYNBK1 — block synch check (SEL
OGIC)
Synchronism-Check Voltage Source 2
SYNCS2 — designate voltage input
KS2M — adjust magnitude to reference
KS2A — adjust angle to reference
1
3
1
. . .
. . .
. . .
Bus 2
Bus 1
Synchronism-Check Voltage Source 1
59VS1 — V
S1
healthy
Synchronism-Check Voltage Reference
59VP — V
P
healthy
Synchronism-Check Voltage Source 2
59VS2 — V
S2
healthy
Line
Synchronism-Check Across Breaker BK1
25ENBK1 — synchronism enabled
SFZBK1 — no slip
SFBK1 — slip < 25SFBK1
FAST1 — f
S1
> f
P
SLOW1 — f
S1
< f
P
25W1BK1 — synchronism within ANG1BK1
25A1BK1 — variation of 25W1BK1
25W2BK1 — synchronism within ANG2BK1
25A2BK1 — variation of 25W2BK1
Synchronism-Check Across Breaker BK2
25ENBK2 — synchronism enabled
SFZBK2 — no slip
SFBK2 — slip < 25SFBK2
FAST2 — f
S2
> f
P
SLOW2 — f
S2
< f
P
25W1BK2 — synchronism within ANG1BK2
25A1BK2 — variation of 25W1BK2
25W2BK2 — synchronism within ANG2BK2
25A2BK2 — variation of 25W2BK2
BK2
BK1
3
11
. . .
. . .
. . .

Table of Contents

Related product manuals