EasyManua.ls Logo

Sel 411L - Figure 3.39 Open CT Detection Logic; Table 3.27 Open CT Logic Relay Word Bits

Sel 411L
1108 pages
Print Icon
To Next Page IconTo Next Page
To Next Page IconTo Next Page
To Previous Page IconTo Previous Page
To Previous Page IconTo Previous Page
Loading...
P.3.70
SEL-411L Relay Protection Manual Date Code 20151029
Protection Functions
87L Differential Elements
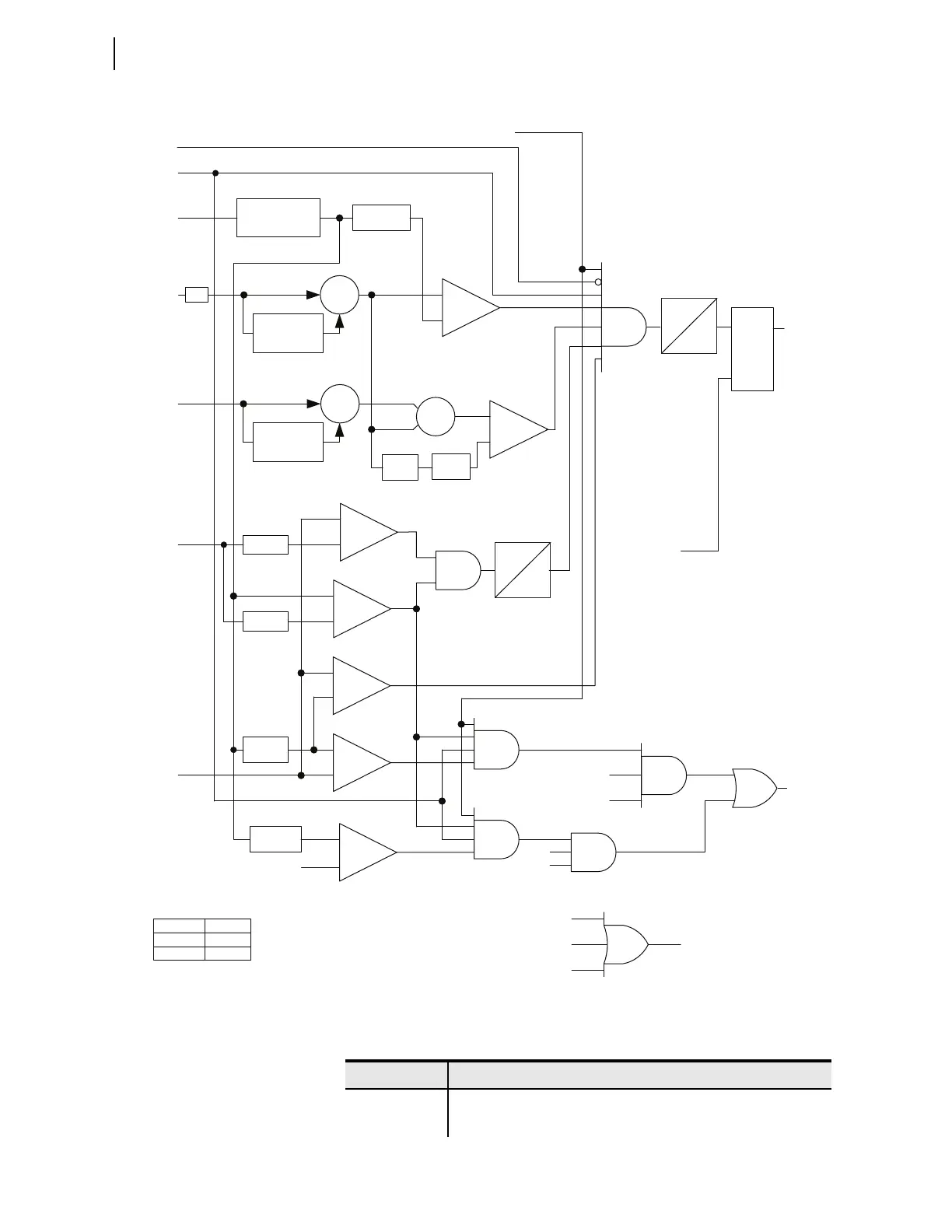
Figure 3.39 Open CT Detection Logic
Table 3.27 shows the Relay Word bits of the Open CT logic.
87IΦRSTM
+
-
+
-
+
-
Σ
Σ
+
|
Σ
|
S
R
Q
+
+
-
+
-
+
-
+
-
+
-
+
-
87IΦDIF
87MTR
87EFD
Relay
Word Bits
87I
ΦRST
87
87I
ΦDIFM
THR
abs
IIR Filter
E87OCTL = Y
Setting
Φ = A, B, C
K
CT
1-cycle
Buffer
1-cycle
Buffer
0.50
1.00
K
RST
1/8
87IQDIFM
abs
1/8
87ROCT
Φ
Relay Word Bit
RSTOCT
Relay Word Bit
87OCT
Φ
Relay
Word Bit
87ROCT
Relay
Word Bit
87OCT
Relay Word Bit
87OCTA
Relay Word Bits
87OCTB
87OCTC
87ROCTU
A
B
C
A
B
C
5 cyc
0.5 cyc
1/8 cyc
0
Calibration Settings
87KCT 0.1
87KRSTC 0.05
87KRSTU 0.15
87 = min (87LPP, 0.25 pu)
K = 87KCT
K = 87KRSTC if 87CCU = 0
87KRSTU if 87CCU = 1
THR
CT
RST
Table 3.27 Open CT Logic Relay Word Bits (Sheet 1 of 2)
Name Description
87OCT Open-circuited CT detected, any phase
87OCTA Open-circuited CT detected, A-phase

Table of Contents

Related product manuals