EasyManua.ls Logo

Xerox DocuColor 2240 - Page 172

Xerox DocuColor 2240
1489 pages
Print Icon
To Next Page IconTo Next Page
To Next Page IconTo Next Page
To Previous Page IconTo Previous Page
To Previous Page IconTo Previous Page
Loading...
09/03
2-139
DC 3535/2240/1632, WC M24
7-274
Status Indicator RAPs
Initial issue
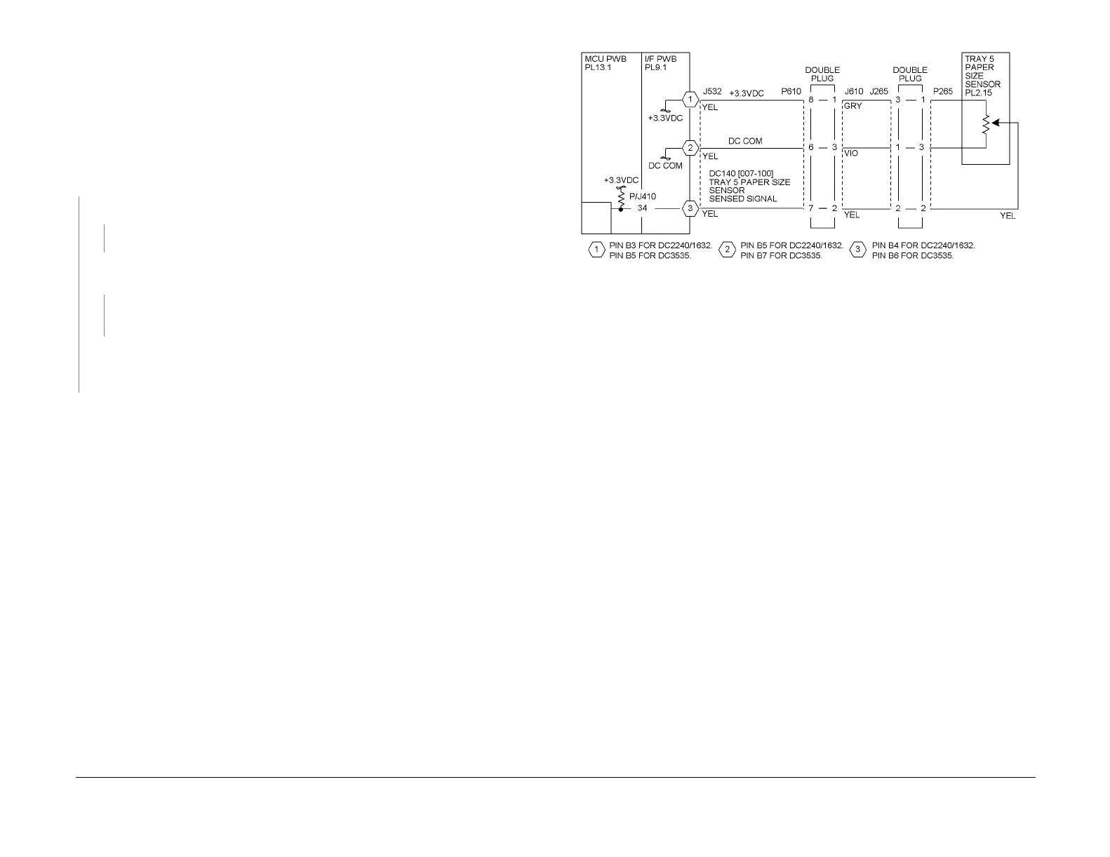
7-274 Tray 5 Paper Size Sensor Failure
An abnormal A/D value was detected by the Tray 5 Paper Size Sensor.
Initial Actions
Check the connectors between the Tray 5 Paper Size Sensor and the I/F PWB
Procedure
Enter dC140 [007-100] and press Start. Move the Tray 5 Paper Size Sensor (PL 2.15). The
A/D value changed.
YN
+3.3 VDC is measured at P/J265-3 on the Tray 5 Paper Size Sensor.
YN
Check the wires and connectors. If the check is OK, replace the I/F PWB (PL 9.1)
Enter dC140 [007-100] and press Start. Move the Tray 5 Paper Size Sensor (PL 2.15).
The voltage at P/J265-2 changes.
YN
Check the wires and connectors. If the check is OK, replace the Tray 5 Assembly
(PL 2.13).
Replace the MCU PWB (PL 13.1).
Replace the Tray 5 Paper Size Sensor (PL 2.15).
If the problem continues, replace the I/F PWB (PL 9.1).
Replace the MCU PWB (PL 13.1).
Replace the Tray 5 Paper Size Sensor (PL 2.15).
If the problem continues, replace the I/F PWB (PL 9.1).
Figure 1 7-274 RAP Circuit Diagram - Tray 5 Paper Size Sensor

Table of Contents

Other manuals for Xerox DocuColor 2240

Related product manuals