EasyManua.ls Logo

Xerox DocuColor 2240 - Page 257

Xerox DocuColor 2240
1489 pages
Print Icon
To Next Page IconTo Next Page
To Next Page IconTo Next Page
To Previous Page IconTo Previous Page
To Previous Page IconTo Previous Page
Loading...
09/03
2-224
DC 3535/2240/1632, WC M24
10-348
Initial issue
Status Indicator RAPs
10-348 Main Heater Over Heat
The Front Thermistor detected an overheat condition.
Initial Actions
Turn off the power, remove the Fuser Assembly, and allow it to cool down.
Procedure
NOTE: If this fault is declared 3 times in succession, print and copy mode will be disabled. In
order to clear this condition, reset NVM location 744-003 to 0.
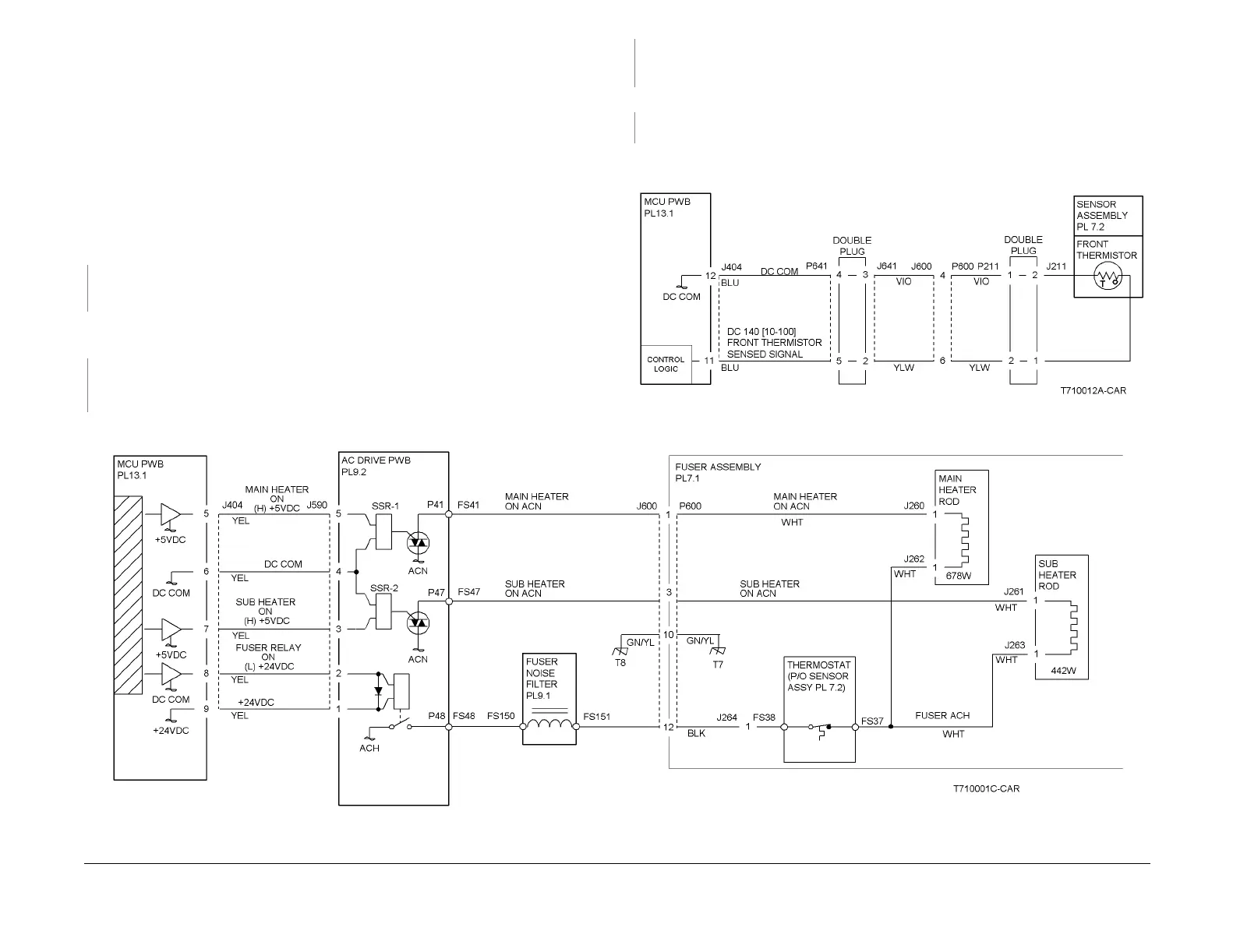
Measure the resistance between P600-4 and P600-6 on the Fuser Assembly (Figure 1).
The resistance is between 30K and 190K Ohms.
YN
Check the wiring from P600 to P/J211 for an open circuit and poor contact. If the wires are
OK, replace the Sensor Assembly (PL 7.2).
Reinstall the Fuser Assembly, turn the power ON. Enter dC140 [010-100] and press Start.
The display value is between 678 and 699.
YN
Turn the power off. Refer to Figure 1 and check the wiring from P/J404 to J600 for an
open circuit or poor contact. If the check is OK, replace the MCU PWB (PL 13.1).
NOTE: The voltage measurement mentioned in the next step must be made while the
Fuser is warming up.
+2 - 3.5VDC is measured at P/J404-5 on the MCU PWB (Figure 2).
YN
Replace the MCU PWB (PL 13.1).
Check the wires and connectors (Figure 1, Figure 2). If the check is OK, replace the AC Drive
PWB (PL 9.2).
Figure 1 10-348 RAP Circuit Diagram - Front Thermistor
Figure 2 10-348 RAP Circuit Diagram - Main Heater and Sub Heater CD
A
A

Table of Contents

Other manuals for Xerox DocuColor 2240

Related product manuals