EasyManua.ls Logo

Xerox DocuColor 2240 - Page 754

Xerox DocuColor 2240
1489 pages
Print Icon
To Next Page IconTo Next Page
To Next Page IconTo Next Page
To Previous Page IconTo Previous Page
To Previous Page IconTo Previous Page
Loading...
09/03
3-11
DC 3535/2240/1632, WC M24
IQ7
Image Quality
Initial issue
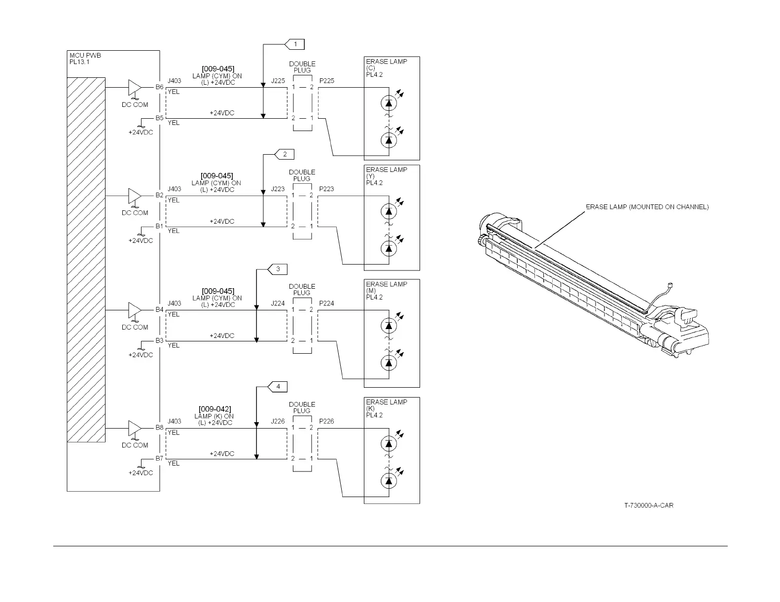
Figure 1 IQ7 RAP Circuit Diagram

Table of Contents

Other manuals for Xerox DocuColor 2240

Related product manuals