EasyManua.ls Logo

Xerox DocuColor 2240 - Windows NT 4.0 Driver Setup

Xerox DocuColor 2240
1489 pages
Print Icon
To Next Page IconTo Next Page
To Next Page IconTo Next Page
To Previous Page IconTo Previous Page
To Previous Page IconTo Previous Page
Loading...
09/03
2-134
DC 3535/2240/1632, WC M24
7-270
Initial issue
Status Indicator RAPs
7-270 Tray 1 Paper Size Sensor Failure
An abnormal A/D value was detected by the Tray 1 Paper Size Sensor.
Initial Actions
Check that the paper size setting is correct.
Check the Tray 1 Paper Size Sensor (PL 2.1) for damage or incorrect mounting. Repair or
replace as required.
Check the switch actuators on Tray 1 (PL 2.1) for wear or damage. Repair or replace as
required
Procedure
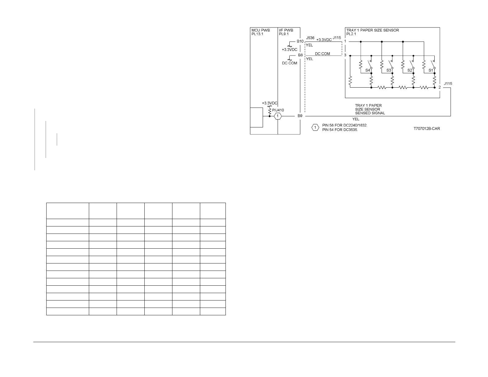
Ensure Tray 1 is closed. The voltage measured at P/J536-B9 on the I/F PWB corresponds
to the paper size in Table 1.
YN
There is +3.3 VDC from P/J115 pin 1 to P/J115 pin 3 on the Tray 1 Size Sensor.
YN
There is +3.3VDC from P/J536-B10 to P/J536-B8.
YN
Go to the 3.3 VDC Wirenet (Figure 1) to troubleshoot the power circuit.
Go to Figure 1. Check the wires from J536 to J115.
Go to Figure 1. Check the wire from J536-B9 to J115-2.
Check the connection between the I/F PWB and the MCU PWB. If the check is OK, replace the
I/F PWB (PL 9.1). If the problem continues, replace the MCU PWB (PL 13.1).
Figure 1 7-270 RAP Circuit Diagram - Tray 1 Size Sensing
Table 1 Tray 1 Size Sensor Values
Paper Size
S1
[007-100]
S2
[007-101]
S3
[007-102]
S3
[007-103]
Voltage
(J536-B9)
No Tray OFF OFF OFF OFF 3.18
A3 SEF OFF OFF OFF ON 2.96
11x17 SEF OFF OFF ON OFF 2.75
8.5x13 SEF OFF OFF ON ON 2.55
B5 or 16K LEF OFF ON OFF ON 2.12
B5 or 8x10 SEF OFF ON ON OFF 1.92
8.5x11 SEF OFF ON ON ON 1.71
B4 or 8K SEF ON OFF OFF ON 1.32
A4 SEF ON OFF ON OFF 1.24
8.5x14 SEF ON OFF ON ON 0.92
A4 LEF ON ON OFF ON 0.51
8.5x11 LEF ON ON ON OFF 0.32
A5 or 5.5x8.5 SEF ON ON ON ON 0.12

Table of Contents

Other manuals for Xerox DocuColor 2240

Related product manuals