EasyManua.ls Logo

Xerox DocuColor 2240 - Page 259

Xerox DocuColor 2240
1489 pages
Print Icon
To Next Page IconTo Next Page
To Next Page IconTo Next Page
To Previous Page IconTo Previous Page
To Previous Page IconTo Previous Page
Loading...
09/03
2-226
DC 3535/2240/1632, WC M24
10-350
Initial issue
Status Indicator RAPs
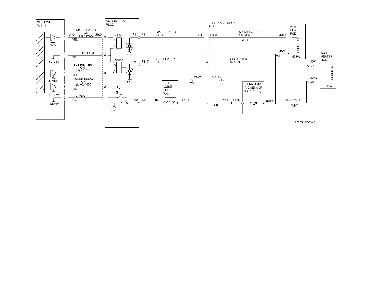
Figure 2 10-350 RAP Circuit Diagram - Main Heater and Sub Heater

Table of Contents

Other manuals for Xerox DocuColor 2240

Related product manuals