EasyManua.ls Logo

Ricoh D014 - 4 Overall Machine Information; Mechanical Component Layout

Ricoh D014
1622 pages
Print Icon
To Next Page IconTo Next Page
To Next Page IconTo Next Page
To Previous Page IconTo Previous Page
To Previous Page IconTo Previous Page
Loading...
OVERALL MACHINE INFORMATION
B830 64 SM
4. OVERALL MACHINE INFORMATION
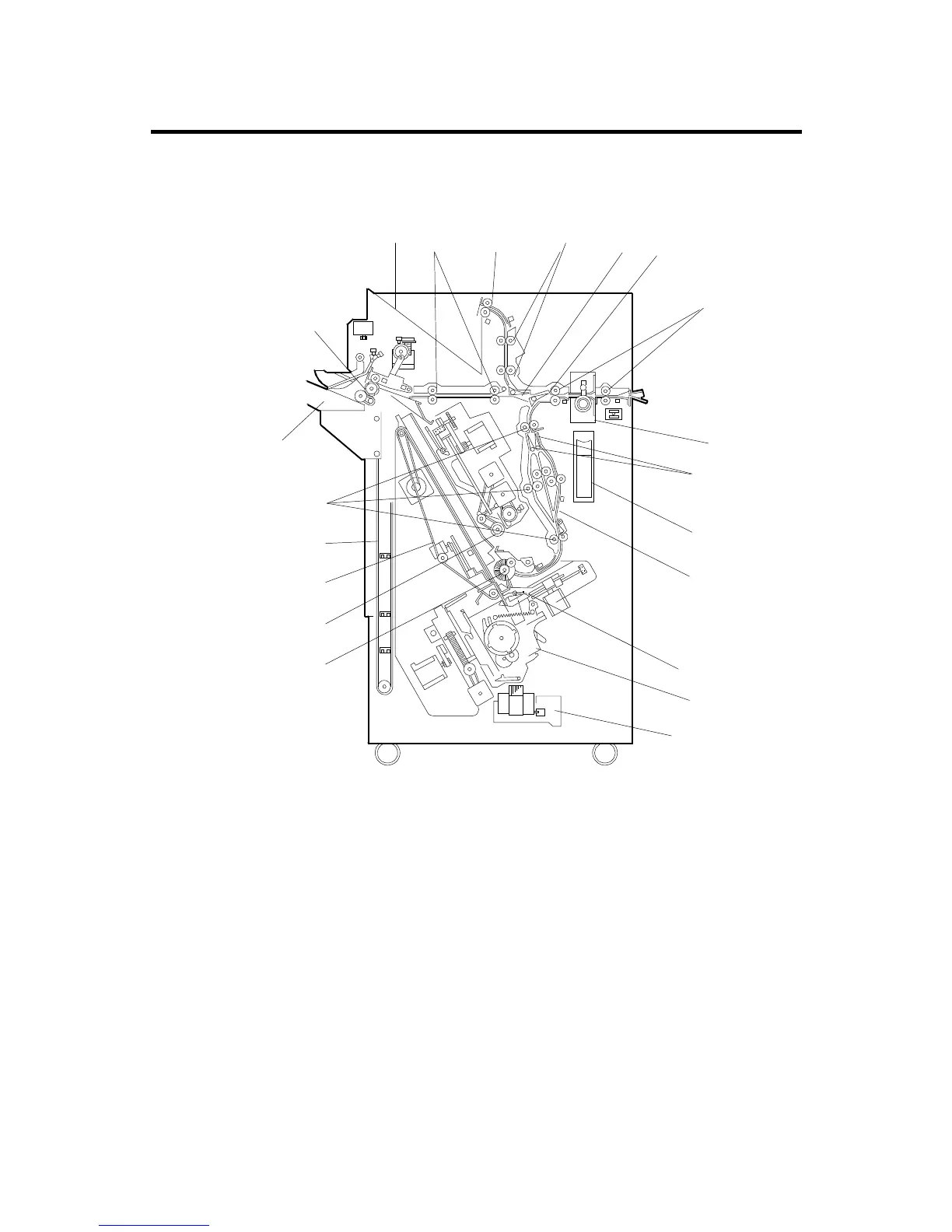
4.1 MECHANICAL COMPONENT LAYOUT
1. Upper Tray
2. Middle Transport Rollers
3. Upper Tray Exit Roller
4. Upper Transport Rollers
5. Upper Tray Junction Gate
6. Stapler Junction Gate
7. Entrance Rollers
8. Punch Unit
9. Pre-stack Junction Gates (x2)
10. Punch Waste Hopper
11. Pre-stack Tray
12. Stack Plate
13. Stapler
14. Staple Trimmings Hopper
15. Alignment Brush Roller
16. Positioning Roller
17. Stack Feed-out Belt
18. Shift Tray Drive Belt
19. Lower Transport Rollers
20. Shift Tray
21. Shift Tray Exit Roller
B830V500.WMF
10
9
15
3
11
12
1
4
16
17
18
20
19
21
4
7
8
1
2
5
6
1
3
CÓPIA NÃO CONTROLADA
CÓPIA NÃO CONTROLADA

Table of Contents

Related product manuals