EasyManua.ls Logo

Ricoh D014 - Accessories; Bluetooth Interface Unit B826; Installation Procedure

Ricoh D014
1622 pages
Print Icon
To Next Page IconTo Next Page
To Next Page IconTo Next Page
To Previous Page IconTo Previous Page
To Previous Page IconTo Previous Page
Loading...
MFP Controller Options
D014/D015/D078/D079 1-160 SM
1.18.9 BLUETOOTH INTERFACE UNIT B826
Accessories
Check the quantity and condition of the accessories.
Description Q'ty
1 Bluetooth card 1
2 Bluetooth card cover 1
3 Bluetooth board 1
Only one interface slot is available for the following options, so only one can be installed:
Bluetooth (B826)
File Format Converter (D377)
IEEE1284 (B679)
IEEE802.11a/g (D377)
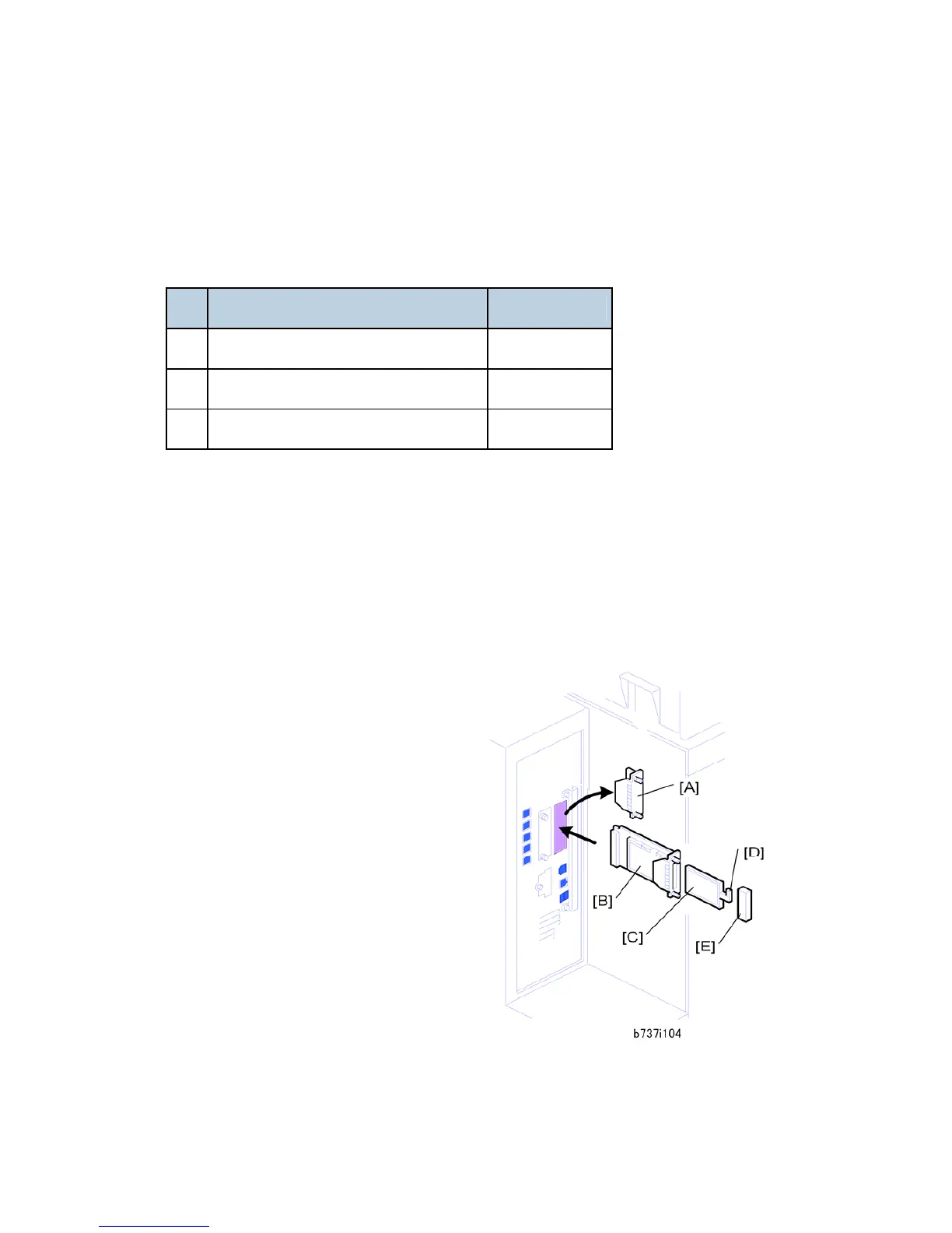
Installation Procedure
1. Remove the cover of Slot B [A] ( x 2).
2. Touch a metal surface to any static
electricity from your hands.
3. Put the interface board [B] in Slot B.
4. Confirm that the board is inserted
completely, then fasten it ( x 2).
5. Put the Bluetooth card [C] in the slot of
the interface board.
6. Push the antenna cap [D] to extend it.
7. Attach the card cover [E] (used to
prevent static electricity).
8. Turn the machine off and on.
9. Enter the SP mode and do SP5990 to
print an SMC.
10. Read the report and confirm that the
interface board is installed correctly.
CÓPIA NÃO CONTROLADA
CÓPIA NÃO CONTROLADA

Table of Contents

Related product manuals