EasyManua.ls Logo

Ricoh D014 - Lift Motor

Ricoh D014
1622 pages
Print Icon
To Next Page IconTo Next Page
To Next Page IconTo Next Page
To Previous Page IconTo Previous Page
To Previous Page IconTo Previous Page
Loading...
Motors
D350 8 SM
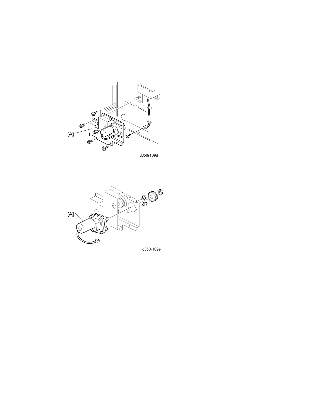
1.4.3 LIFT MOTOR
1. Remove:
Rear cover
2. Remove:
[A] Motor unit ( x5, x1)
3. Remove:
[A] Lift motor ( x2, Clip x1, Gear x1)
CÓPIA NÃO CONTROLADA
CÓPIA NÃO CONTROLADA

Table of Contents

Related product manuals