EasyManua.ls Logo

Ricoh D014 - Page 1390

Ricoh D014
1622 pages
Print Icon
To Next Page IconTo Next Page
To Next Page IconTo Next Page
To Previous Page IconTo Previous Page
To Previous Page IconTo Previous Page
Loading...
Paper Handling
SM 31 D350
D350
RT4000
A3/12 x 18
LCT
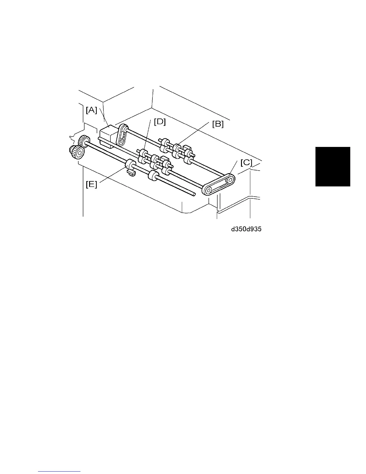
2.2.10 PAPER EXIT
The LCT exit motor [A] drives the first set of exit rollers [B] and timing belt [C] which in turn
drives the second set of exit rollers [D]. The entrance roller of the main machine [E] feeds
the paper as soon as it exits the LCIT.
CÓPIA NÃO CONTROLADA
CÓPIA NÃO CONTROLADA

Table of Contents

Related product manuals