EasyManua.ls Logo

NXP Semiconductors LPC1768 - Page 200

NXP Semiconductors LPC1768
841 pages
To Next Page IconTo Next Page
To Next Page IconTo Next Page
To Previous Page IconTo Previous Page
To Previous Page IconTo Previous Page
Loading...
UM10360 All information provided in this document is subject to legal disclaimers. © NXP B.V. 2013. All rights reserved.
User manual Rev. 3 — 19 December 2013 200 of 841
NXP Semiconductors
UM10360
Chapter 10: LPC176x/5x Ethernet
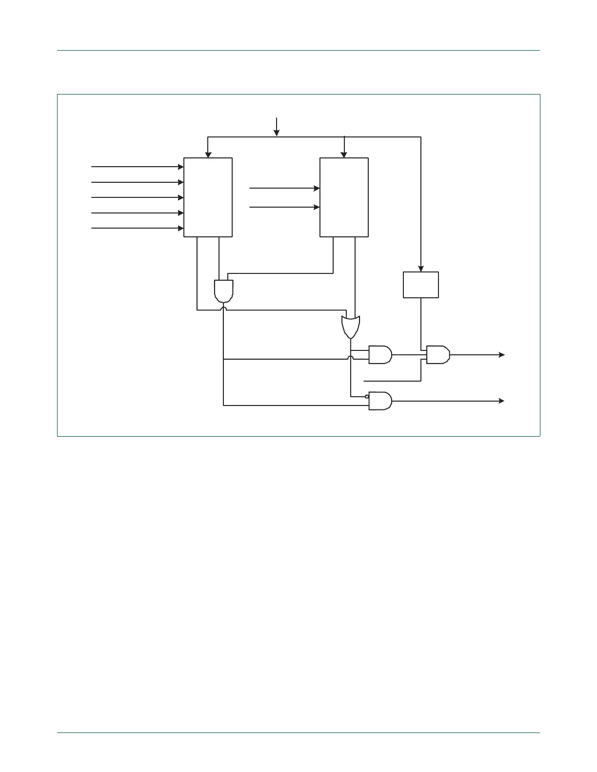
Unicast, broadcast and multicast
Generic filtering based on the type of frame (unicast, multicast or broadcast) can be
programmed using the AcceptUnicastEn, AcceptMulticastEn, or AcceptBroadcastEn bits
of the RxFilterCtrl register. Setting the AcceptUnicast, AcceptMulticast, and
AcceptBroadcast bits causes all frames of types unicast, multicast and broadcast,
respectively, to be accepted, ignoring the Ethernet destination address in the frame. To
program promiscuous mode, i.e. to accept all frames, set all 3 bits to 1.
Perfect address match
When a frame with a unicast destination address is received, a perfect filter compares the
destination address with the 6 byte station address programmed in the station address
registers SA0, SA1, SA2. If the AcceptPerfectEn bit in the RxFilterCtrl register is set to 1,
and the address matches, the frame is accepted.
Imperfect hash filtering
An imperfect filter is available, based on a hash mechanism. This filter applies a hash
function to the destination address and uses the hash to access a table that indicates if
the frame should be accepted. The advantage of this type of filter is that a small table can
cover any possible address. The disadvantage is that the filtering is imperfect, i.e.
sometimes frames are accepted that should have been discarded.
Fig 24. Receive filter block diagram
IMPERFECT
HASH
FILTER
AcceptUnicastEn
AcceptMulticastEn
AcceptMulticastHashEn
AcceptUnicastHashEn
HashFilter
PERFECT
ADDRESS
FILTER
packet
CRC
OK?
HFReady
HFMatch
PAReady
PAMatch
RxAbort
FReady
FMatch
RxFilterEnWoL
RxFilterWoL
StationAddress
AcceptPerfectEn

Table of Contents

Other manuals for NXP Semiconductors LPC1768

Related product manuals