EasyManua.ls Logo

ABB AC500 PLC - Connection of Resistance Thermometers in 3-wire Configuration to the Analog Inputs

ABB AC500 PLC
1315 pages
Print Icon
To Next Page IconTo Next Page
To Next Page IconTo Next Page
To Previous Page IconTo Previous Page
To Previous Page IconTo Previous Page
Loading...
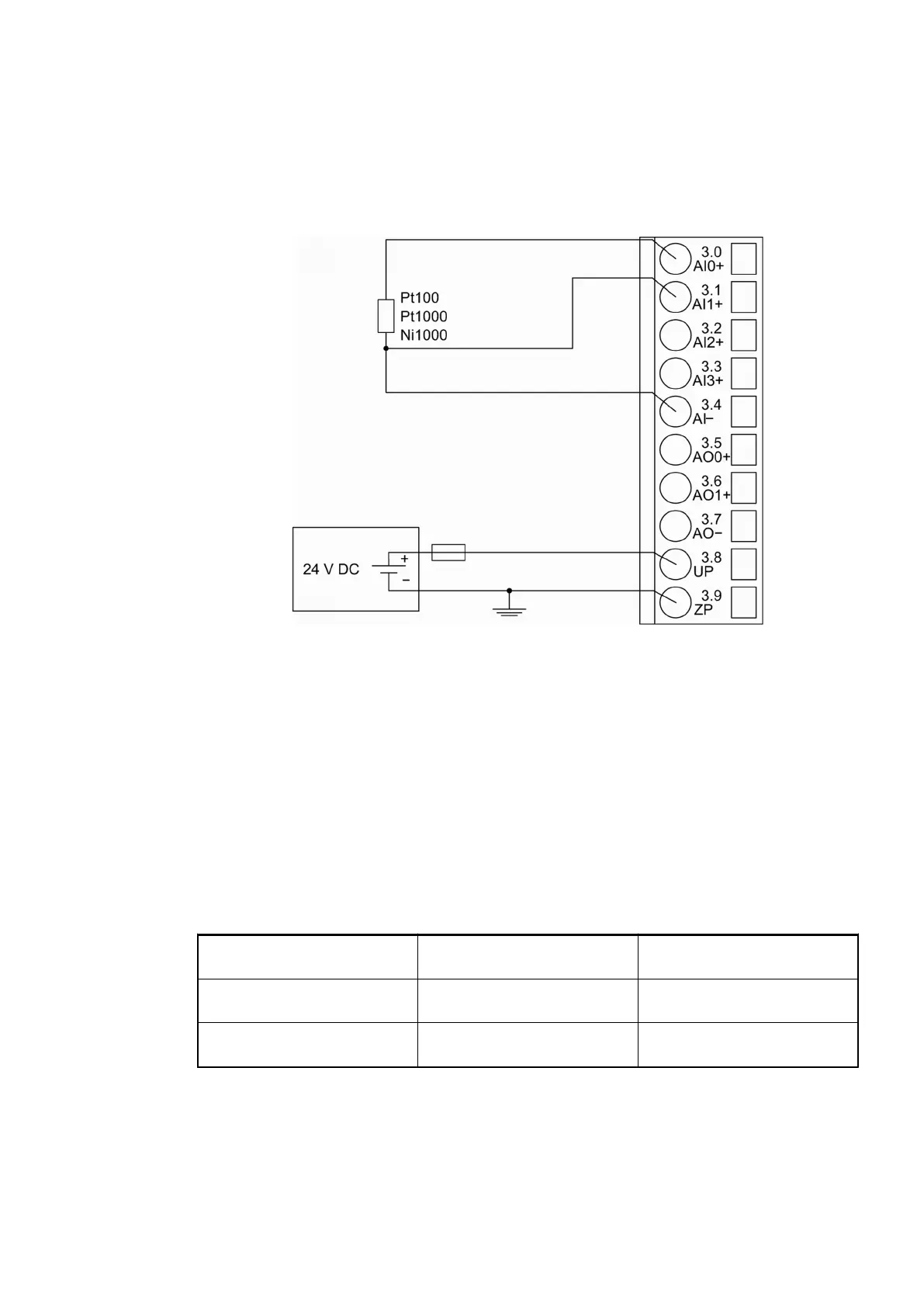
Connection of Resistance Thermometers in 3-wire Configuration to the Analog Inputs
When resistance thermometers (Pt100, Pt1000, Ni1000) are used, a constant current must flow
through them to build the necessary voltage drop for the evaluation. For this, the module DA502
provides a constant current source which is multiplexed over max. 4 analog input channels.
The following figure shows the connection of resistance thermometers in 3-wire configuration to
the analog inputs AI0 and AI1. Proceed with the analog inputs AI2 and AI3 in the same way.
Fig. 95: Connection of resistance thermometers in 3-wire configuration to the analog inputs
With 3-wire configuration, 2 adjacent analog channels belong together (e. g. the channels 0 and
1). In this case, both channels are configured according to the desired operating mode. The
lower address must be the even address (channel 0), the next higher address must be the odd
address (channel 1).
The constant current of one channel flows through the resistance thermometer. The constant
current of the other channel flows through one of the cores. The module calculates the meas-
ured value from the two voltage drops and stores it under the input with the higher channel
number (e. g. I1).
In order to keep measuring errors as small as possible, it is necessary to have all the involved
conductors in the same cable. All the conductors must have the same cross section.
The following measuring ranges can be configured
Ä
Chapter 1.5.3.1.2.6 “Parameterization”
on page 618
Ä
Chapter 1.5.3.1.2.9 “Measuring Ranges” on page 625:
Pt100 -50 °C...+400 °C 3-wire configuration, 2 chan-
nels used
Pt1000 -50 °C...+400 °C 3-wire configuration, 2 chan-
nels used
Ni1000 -50 °C...+150 °C 3-wire configuration, 2 chan-
nels used
For a description of the function of the LEDs, please refer to Diagnosis and displays / Displays
Ä
Chapter 1.5.3.1.2.8 “State LEDs” on page 625.
The module DA502 performs a linearization of the resistance characteristic.
To avoid error messages from unused analog input channels, configure them as "unused".
Device Specifications
I/O Modules > Digital/Analog I/O Modules
2019/04/17 3ADR010121, 13, en_US 609

Table of Contents

Related product manuals