EasyManua.ls Logo

ABB AC500 PLC - Connection of Active-type Analog Sensors (Current) with Electrically Isolated Power Supply; Connection of Active-type Analog Sensors (Voltage) with no Electrically Isolated Power Supply

ABB AC500 PLC
1315 pages
Print Icon
To Next Page IconTo Next Page
To Next Page IconTo Next Page
To Previous Page IconTo Previous Page
To Previous Page IconTo Previous Page
Loading...
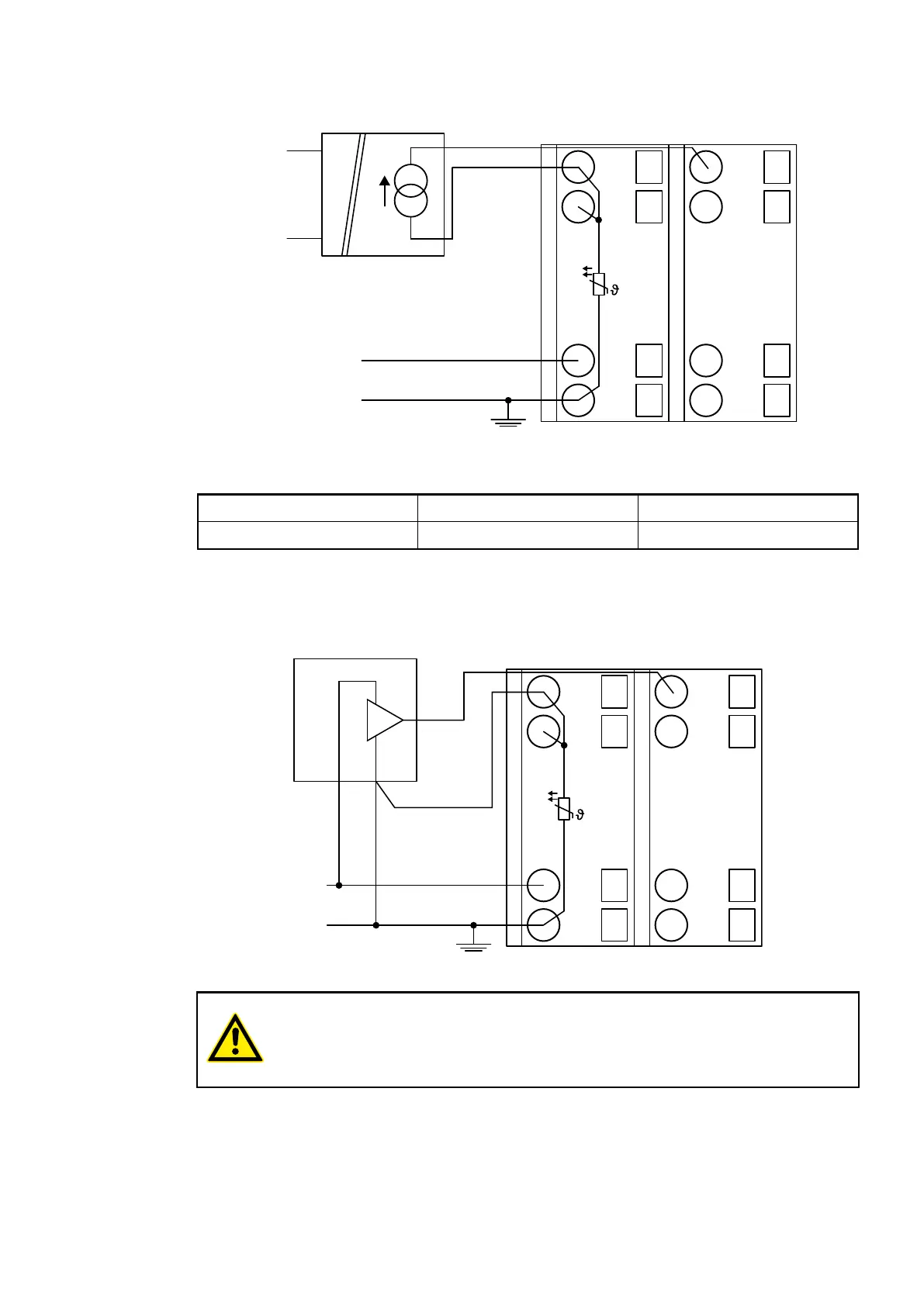
Connection of Active-type Analog Sensors (Current) with Electrically Isolated Power Supply
UP
ZP
1.0
I0-
1.1
I1-
1.8
UP
1.9
ZP
PTC
2.0
I0+
2.1
I1+
2.8
UP
2.9
ZP
U
IN
0 ... +20 mA
+4 ... +20 mA
+
-
Fig. 73: Connection example
Current 0 mA...20 mA 1 channel used
Current 4 mA...20 mA 1 channel used
Unused input channels can be left open-circuited, because they are of low resistance.
Connection of Active-type Analog Sensors (Voltage) with no Electrically Isolated Power Supply
UP
ZP
1.0
I0-
1.1
I1-
1.8
UP
1.9
ZP
PTC
2.0
I0+
2.1
I1+
2.8
UP
2.9
ZP
0 ... 10 V
AGND
Fig. 74: Connection example
CAUTION!
The potential difference between AGND and ZP at the module must not be
greater than 1V, not even in case of long lines (see figure Terminal Assignment).
Device Specifications
I/O Modules > Analog I/O Modules
2019/04/17 3ADR010121, 13, en_US 551

Table of Contents

Related product manuals