EasyManua.ls Logo

ABB AC500 PLC - Connection of Active-type Analog Sensors (Voltage) with no Electrically Isolated Power Supply to the Analog Inputs

ABB AC500 PLC
1315 pages
Print Icon
To Next Page IconTo Next Page
To Next Page IconTo Next Page
To Previous Page IconTo Previous Page
To Previous Page IconTo Previous Page
Loading...
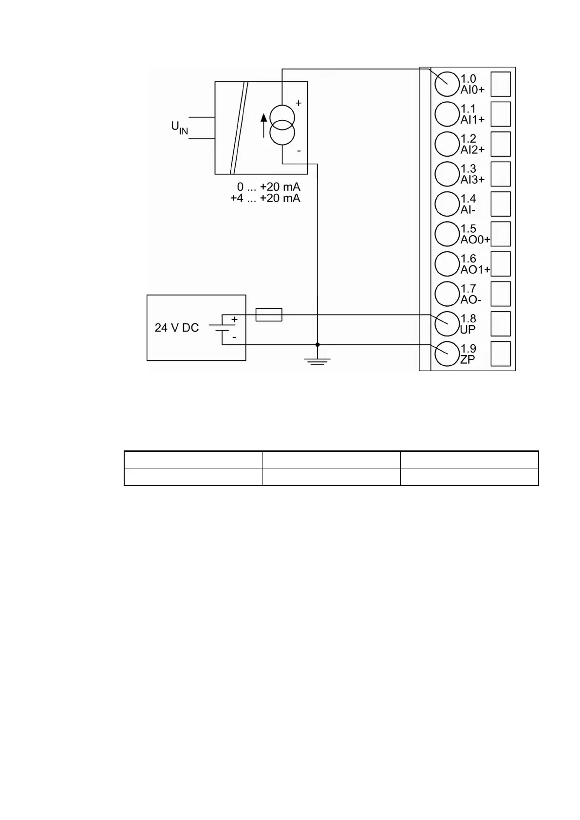
Fig. 179: Connection of active-type analog sensors (current) with electrically isolated power
supply to the analog inputs
The following measuring ranges can be configured
Ä
Chapter 1.7.4.1.7 “Parameterization”
on page 897 and
Ä
Chapter 1.7.4.1.9 “Measuring Ranges” on page 909:
Current 0...20 mA 1 channel used
Current 4...20 mA 1 channel used
The function of the LEDs is described under Diagnosis and displays / Displays
Ä
Chapter
1.7.4.1.8 “Diagnosis and State LEDs” on page 903.
Unused input channels can be left open-circuited, because they are of low resistance.
To avoid error messages through unused analog input channels in measuring range 4...20 mA,
these channels should be configured as "Not used".
Connection of Active-type Analog Sensors (Voltage) with no Electrically Isolated Power Supply to the
Analog Inputs
The following figure shows the connection of active-type analog sensors (voltage) with no elec-
trically isolated power supply to the analog input AI0. Proceed with the analog inputs AI1 to AI3
in the same way.
Device Specifications
Communication Interface Modules (S500) > Modbus
2019/04/17 3ADR010121, 13, en_US 889

Table of Contents

Related product manuals