EasyManua.ls Logo

ABB AC500 PLC - Connection of Resistance Thermometers in 2-wire Configuration

ABB AC500 PLC
1315 pages
Print Icon
To Next Page IconTo Next Page
To Next Page IconTo Next Page
To Previous Page IconTo Previous Page
To Previous Page IconTo Previous Page
Loading...
2.0
1.0
I0+
I0–
2.1
1.1
I1+
I1–
2.2
1.2
I2+
I2–
2.3
1.3
I3+
I3–
2.4
1.4
I4+
I4–
2.5
1.5
I5+
I5–
2.6
1.6
I6+
I6–
2.7
1.7
I7+
I7–
O0+
O0–
4.0
3.0
O4+
O4–
4.4
3.4
O1+
O1–
4.1
3.1
O5+
O5–
4.5
3.5
O2+
O2–
4.2
3.2
O6+
O6–
4.6
3.6
O3+
O3–
4.3
3.3
O7+
O7–
4.7
3.7
AGND
AGND
UP
ZP
1.8 2.8 3.8 4.8
1.9 2.9 3.9 4.9
+24 V
0 V
4 analog inputs
for 0...10 V,
–10 V...+10 V,
0/4... 20 mA,
Pt100 / Pt1000,
Ni1000 and
digital signals
4 analog
outputs for
–10 V...+10 V,
0/4... 20 mA
4 analog
outputs for
–10 V...+10 V
PTCPTC
4 analog inputs
for 0...10 V,
–10 V...+10 V,
0/4... 20 mA,
Pt100 / Pt1000,
Ni1000 and
digital signals
These I/Os only with AX522
Attention:
By installing equipotential
bonding conductors between
system, it must be made sure
that the potential difference
between ZP and AGND never
the different parts of the
can exceed 1 V.
Attention:
The process voltage must be
included in the earthing concept
of the control system
(e.g. earthing the minus pole).
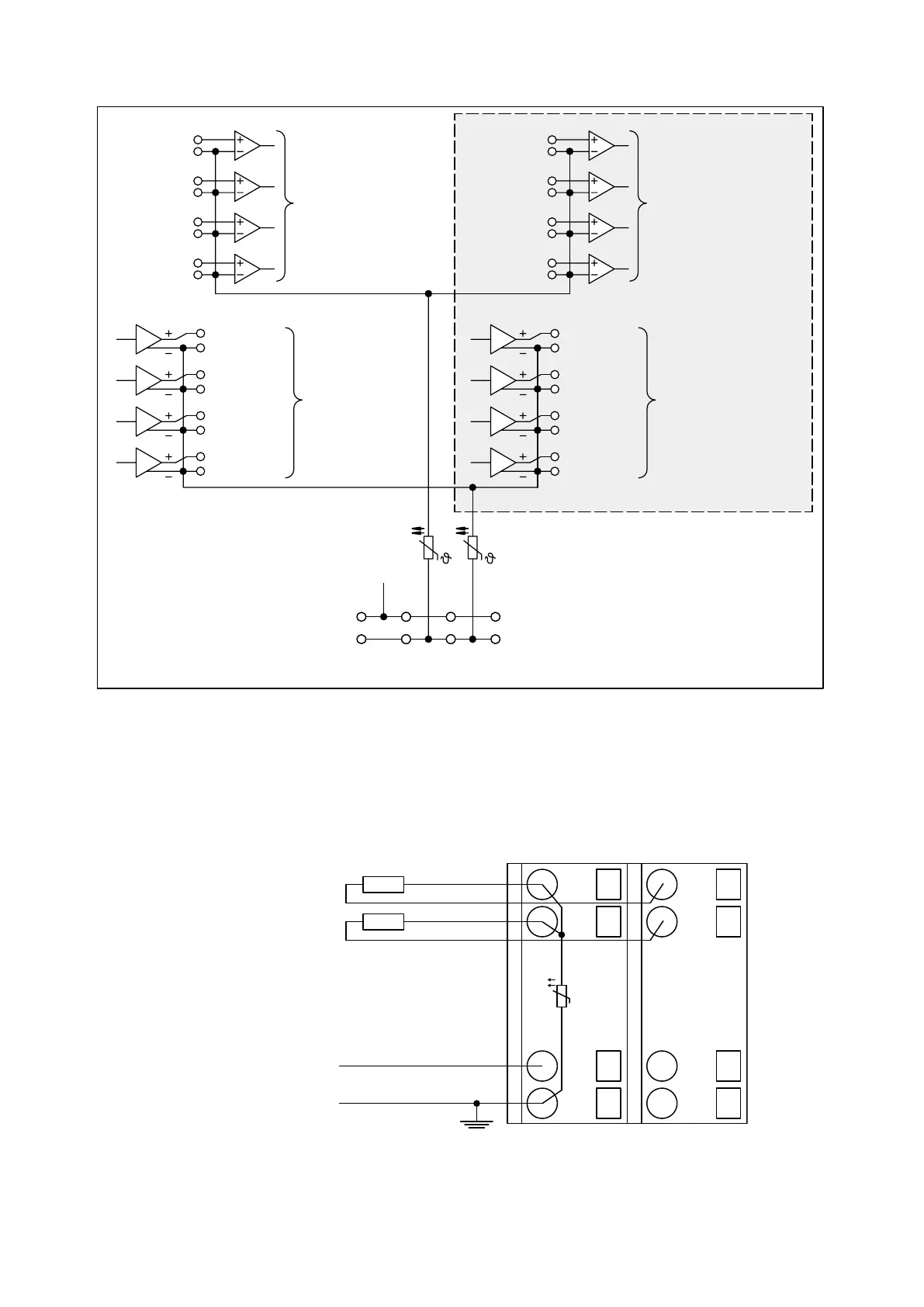
Fig. 69: Terminal assignment
Connection of Resistance Thermometers in 2-wire Configuration
When resistance thermometers (Pt100, Pt1000, Ni1000) are used, a constant current must flow
through them to build the necessary voltage drop for the evaluation. For this, the I/O module
provides a constant current source which is multiplexed over the 8 analog channels.
UP
ZP
1.0
I0-
1.1
I1-
1.8
UP
1.9
ZP
PTC
2.0
I0+
2.1
I1+
2.8
UP
2.9
ZP
Pt100
Pt1000
Ni1000
Fig. 70: Connection example
Device Specifications
I/O Modules > Analog I/O Modules
2019/04/173ADR010121, 13, en_US548

Table of Contents

Related product manuals