EasyManua.ls Logo

ABB AC500 PLC - 1.6.2.2.2 Internal Data Exchange

ABB AC500 PLC
1315 pages
Print Icon
To Next Page IconTo Next Page
To Next Page IconTo Next Page
To Previous Page IconTo Previous Page
To Previous Page IconTo Previous Page
Loading...
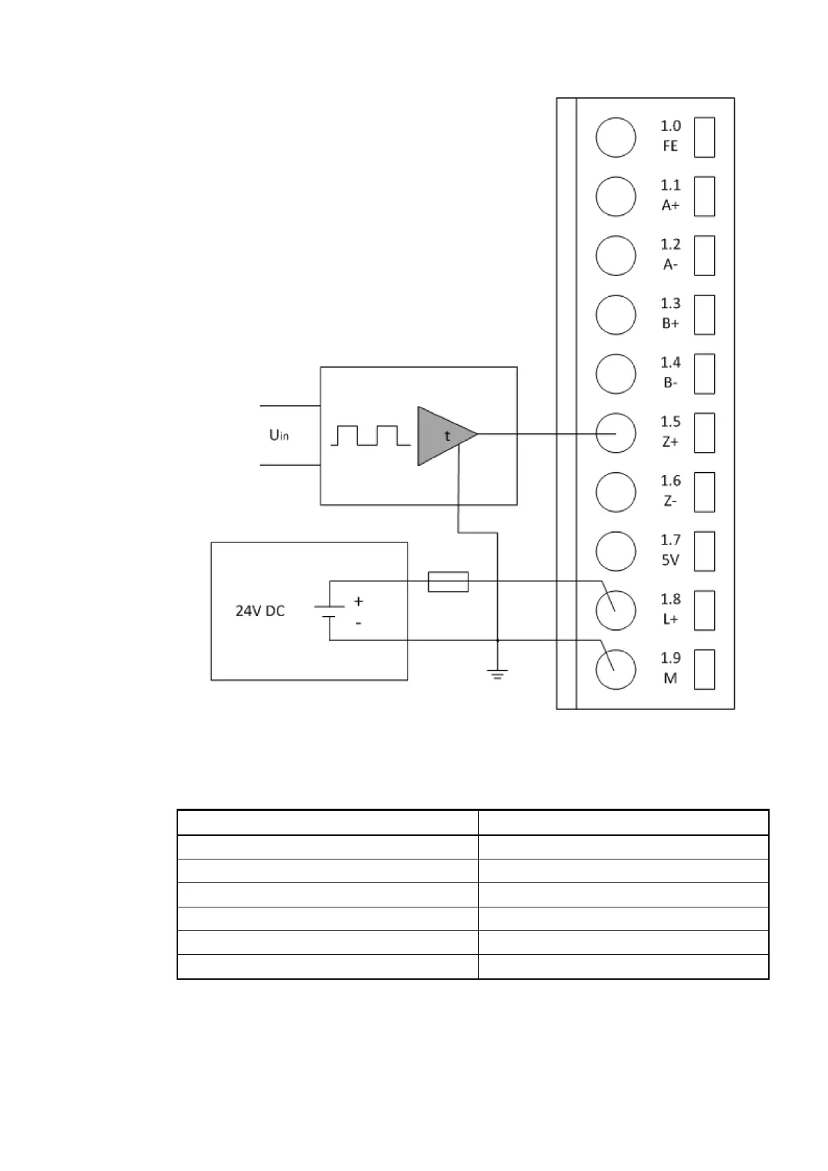
Fig. 112: Example for electrical connection of sensors with frequency outputs to the input Z+
1.6.2.2.2 Internal Data Exchange
Parameter Value
Digital inputs (bytes) 4
Digital outputs (bytes) 8
Counter inputs (words) 4
Counter outputs (words) 2
Analog inputs (words) 16
Analog outputs (words) 0
Connection of
Sensors with
Frequency Out-
puts
Device Specifications
Function Modules > S500
2019/04/173ADR010121, 13, en_US684

Table of Contents

Related product manuals