EasyManua.ls Logo

ABB AC500 PLC - Connection of Active-type Analog Sensors (Voltage) with Electrically Isolated Power Supply to the Analog Inputs; Connection of Active-type Analog Sensors (Current) with Electrically Isolated Power Supply to the Analog Inputs

ABB AC500 PLC
1315 pages
Print Icon
To Next Page IconTo Next Page
To Next Page IconTo Next Page
To Previous Page IconTo Previous Page
To Previous Page IconTo Previous Page
Loading...
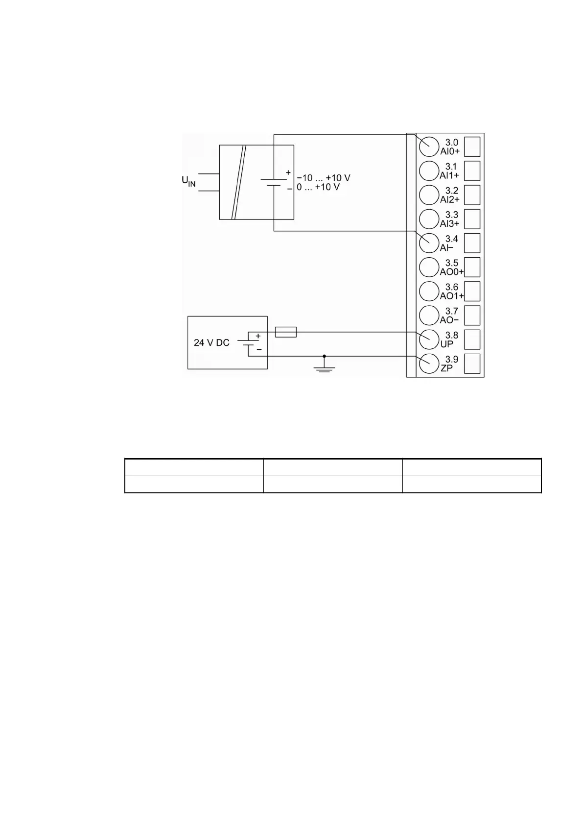
Connection of Active-type Analog Sensors (Voltage) with Electrically Isolated Power Supply to the Analog
Inputs
The following figure shows the connection of active-type analog sensors (voltage) with electri-
cally isolated power supply to the analog input AI0. Proceed with the analog inputs AI1 to AI3 in
the same way.
Fig. 96: Connection of active-type analog sensors (voltage) with electrically isolated power
supply to the analog inputs
The following measuring ranges can be configured
Ä
Chapter 1.5.3.1.2.6 “Parameterization”
on page 618
Ä
Chapter 1.5.3.1.2.9 “Measuring Ranges” on page 625:
Voltage 0 V...10 V 1 channel used
Voltage -10 V...+10 V 1 channel used
For a description of the function of the LEDs, please refer to Diagnosis and displays / Displays
Ä
Chapter 1.5.3.1.2.8 “State LEDs” on page 625.
To avoid error messages from unused analog input channels, configure them as "unused".
Connection of Active-type Analog Sensors (Current) with Electrically Isolated Power Supply to the Analog
Inputs
The following figure shows the connection of active-type analog sensors (current) with electri-
cally isolated power supply to the analog input AI0. Proceed with the analog inputs AI1 to AI3 in
the same way.
Device Specifications
I/O Modules > Digital/Analog I/O Modules
2019/04/173ADR010121, 13, en_US610

Table of Contents

Related product manuals