EasyManua.ls Logo

ABB AC500 PLC - Page 683

ABB AC500 PLC
1315 pages
Print Icon
To Next Page IconTo Next Page
To Next Page IconTo Next Page
To Previous Page IconTo Previous Page
To Previous Page IconTo Previous Page
Loading...
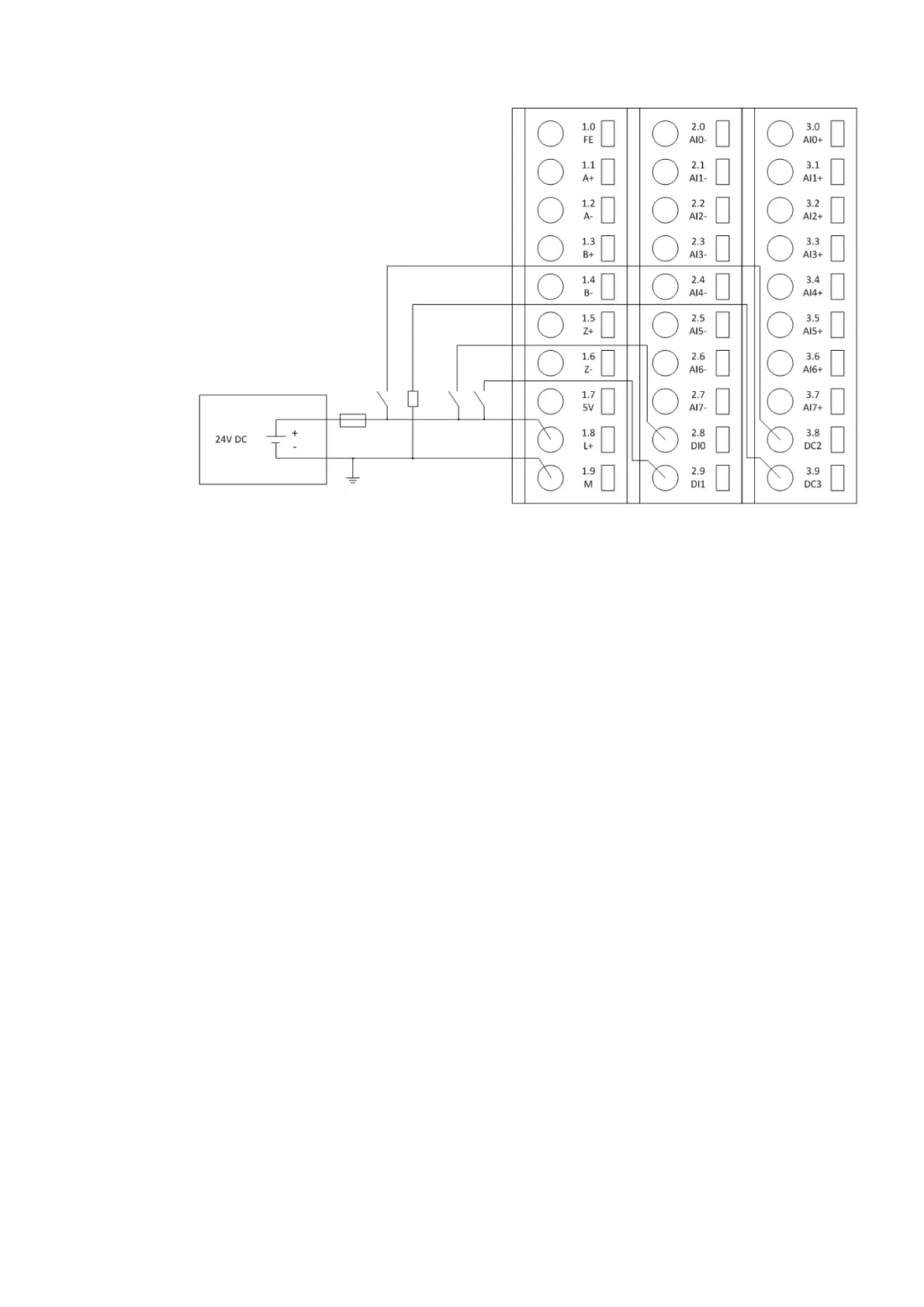
Connection of
Standard Inputs/
Outputs
Device Specifications
Function Modules > S500
2019/04/17 3ADR010121, 13, en_US 683

Table of Contents

Related product manuals