EasyManua.ls Logo

ABB AC500 PLC - Page 764

ABB AC500 PLC
1315 pages
Print Icon
To Next Page IconTo Next Page
To Next Page IconTo Next Page
To Previous Page IconTo Previous Page
To Previous Page IconTo Previous Page
Loading...
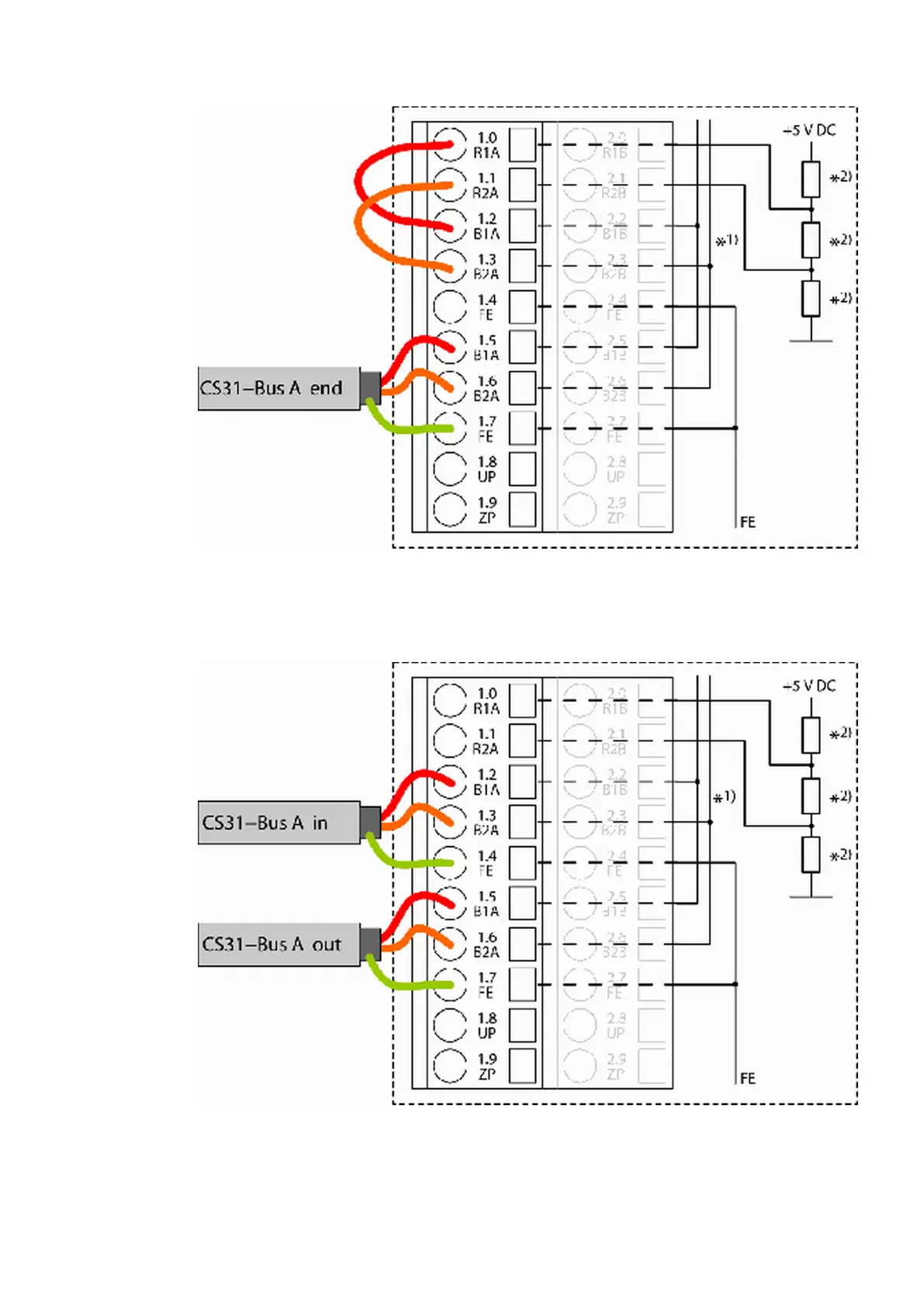
Fig. 139: Electrical connection of CS31 bus A with CI590-CS31-HA located at the bus end
1
)
Connection between the bus lines is located inside the terminal unit.
2
)
Termination resistors are located in the terminal unit TU551-CS31/TU552-CS31.
Fig. 140: Electrical connection of CS31 bus A with CI590-CS31-HA located in the middle of the
bus
1
)
Connection between the bus lines is located inside the terminal unit.
2
)
Termination resistors are located in the terminal unit TU551-CS31/TU552-CS31.
Option 1
Option 2
Device Specifications
Communication Interface Modules (S500) > CS31
2019/04/173ADR010121, 13, en_US764

Table of Contents

Related product manuals