EasyManua.ls Logo

ABB AC500 PLC - Page 290

ABB AC500 PLC
1315 pages
Print Icon
To Next Page IconTo Next Page
To Next Page IconTo Next Page
To Previous Page IconTo Previous Page
To Previous Page IconTo Previous Page
Loading...
10
11
NO0
NO1
13
NO3
12
NO2
14
R0...3
15
NO4
16
NO5
17
NO6
18
NO7
19
R4...7
20
L+
24 V DC
+
24 V DC
+
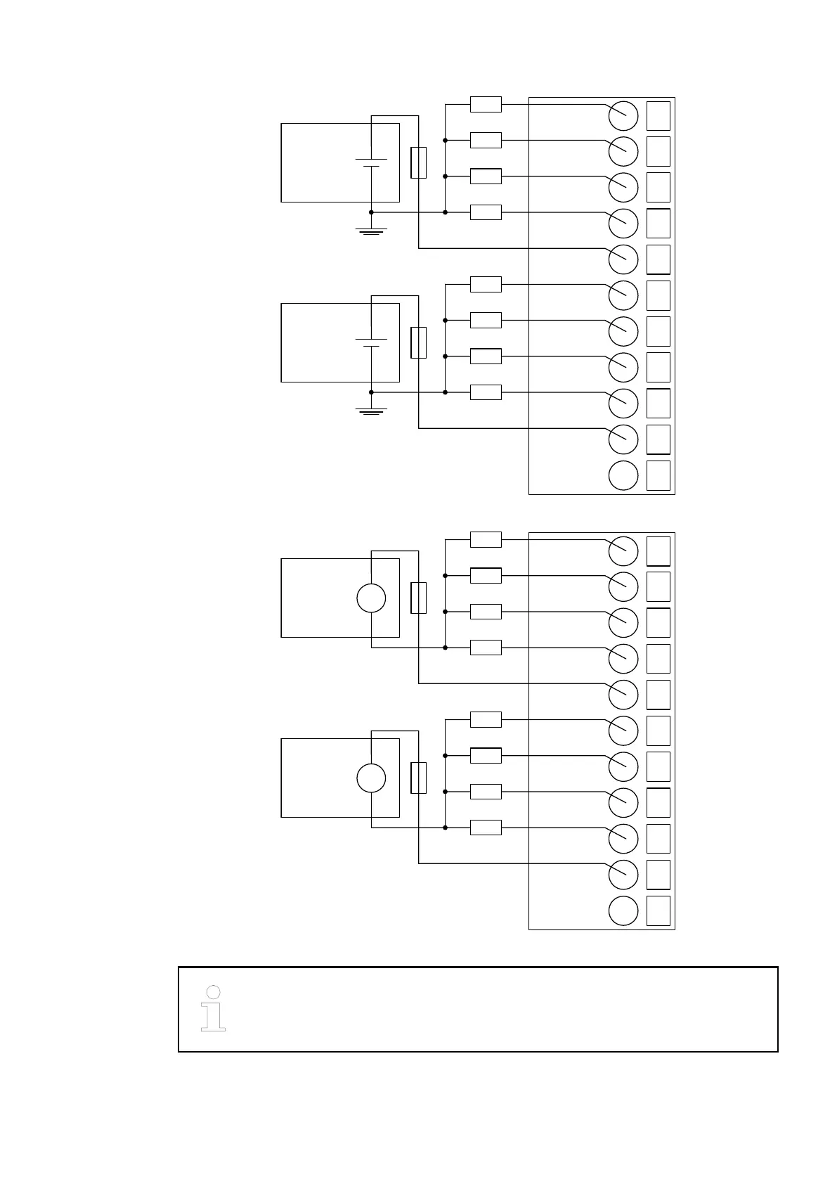
Fig. 24: Connection of 24 VDC actuators
10
11
NO0
NO1
13
NO3
12
NO2
14
R0...3
15
NO4
16
NO5
17
NO6
18
NO7
19
R4...7
20
L+
120 V AC/
240 V AC
~
120 V AC/
240 V AC
~
L
N
L
N
Fig. 25: Connection of 100-240 V AC actuators
The L+ connection of the DO571 and the 24 V supply of the CPU/bus module
must be connected to the same 24 V power supply.
Device Specifications
I/O Modules > Digital I/O Modules
2019/04/173ADR010121, 13, en_US290

Table of Contents

Related product manuals